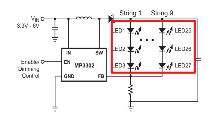
使用MP3302驱动TFT液晶屏,突然出现了屏幕发暗的情况。更换新的电感后改善。电感为4.7uH,1.6A.有可能是什么原因呢?电路是参考手册绘制的。
发个原理图吧老哥,这样看不出来
根据你的描述目前看就是电感选型有问题,虽然你选择的电感标注为1.6A,但需要确认这是温升电流还是饱和电流?当背光需求电流较大时,如果电感的Isat低于电路的峰值电流Ipk,电感量会剧烈下降,发生饱和。电感失去储能能力,纹波电流飙升,芯片可能触发内部限流保护,或者导致输出电压Vout无法达到设定值,背光灯条得到的实际电流变小,屏幕发暗。可以用示波器观察MP3302的SW引脚,如果波形出现严重的抖动或占空比异常,说明电感已经饱和。
如果前后更换的是同一个型号电感,怀疑开始的电感虚焊的可能性很大,有时候电感引脚不外露的电感焊接容易虚焊。
可以计算下电感电流值是否OK,一般buck场景下,电感电流需要选型额定电流> Iout*1.5 以上的
