MPS技术论坛
MP8009 12V/6A参考电路图
AC-DC 功率转换
ykm
2024 年3 月 30 日 03:40
1
你好,
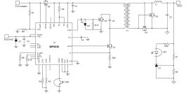
我们有款企业级的无线接入点,整机功耗在30W左右,客户会使用PoE模块供电,请帮提供下基于MP8009 12V/3A的参考电路图,谢谢。
Baily.Wen
2024 年4 月 1 日 01:29
2
可选用MP8030设计:
ykm
2024 年4 月 1 日 02:13
3
好的,谢谢文工。