看到市面上有直通模式的DCDC,介绍一下原理![]()
先介绍一下常见的模式的效率如何。
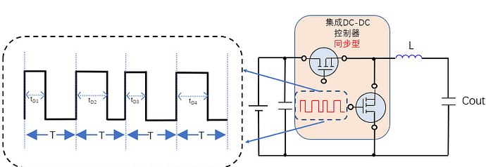
- PWM模式
如下图是PWM控制模式的DC-DC,PWM(Pulse Width Modulation),脉冲宽度调制,顾名思义,放大图可以看出,其周期T是不变的,而脉冲宽度tD1、tD2、tD3、tD4、是不同的。
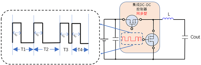
PWM 与PFM控制的效率差异来自哪里?
两种控制模式都是在控制MOS管的通断,那么为何会有效率的差异呢?如下图,理想状况下,当MOS管开通时VDS等于0,此时虽然有电流通过,但是其消耗功率P=VDS*ID=0。

而实际应用中,由于MOS开通与关断都需要一定的时间,同时VDS也不能做到0,因此存在着VDS与ID同时不为0的情况,由此会消耗功率。如下图,消耗功率P随MOS管的开关而起伏。
那么很明显,开关越频繁,消耗功率越多,PWM模式由于是固定频率,因此不管其输出多大负载,MOS都在以固定频率开关,即使在低负载的情况下,MOS管也有很大的损耗。而PFM模式的周期不定,因此可以在低负载的状态下,降低开关频率,这样额外损耗就小了许多。
主题来了:
1. BOOST 拓扑的直通模式
BOOST的直通模式需要再增加一个开关管,连通VIN与VOUT,当输入电压合适时,打开直通开关管,让电流直接通过这个管子流向VOUT,由于导通后不会有任何的开关动作,只剩下开关管自身的导通损耗,因此效率很高。
如下图是效率曲线,可以看出当VIN为3.6V与4.3V时进入直通模式,效率远高于其它输入电压下的效率,哪怕在100uA的负载下效率也能达到70%,在1mA负载下效率超过95%,对于电池设备这个效率已经很高了。
我们来看这个应用场景,这个芯片是用于锂电池的升压,所以输入范围为2.3~4.8V,输出电压可调,我们假设一个一个需要稳定3V的负载场景,如下图,这颗芯片作为第一级稳压来充分利用电池的整个电压范围,当电池电压为2.7~3.3V范围内,芯片工作在升压BOOST模式,输出电压为3.3V,而当电池电压为3.3V~4.35V范围内时TPS61281D进入直通模式,输出电压等于输出电压,因此在电池的整个电量周期内,TPS61281D输出电压范围为3.3V~4.35V,再经过二级稳压的BUCK来将输出电压稳定在3V。
2. BUCK-BOOST拓扑的直通模式
BUCK-BOOST拓扑下的直通模式可以直接让两个上管导通 ,形成经过两个上管和电感的通道,因此无需再另外增加开关管,当然这样也会有电感和两个上管的导通损耗。








