LDO中文名叫低压差线性稳压器,它的核心原理是将输入和输出电压差中“多余”的功率转化为热量散失,从而稳定输出电压。听起来像是“烧电大户”,但在电池供电或低压差场景中,它却是不可或缺的“省电小能手”。那LDO是如何将输入和输出电压差中“多余”的功率转化为热量散失,从而稳定输出电压的呢?LDO的内部到底是NPN?PNP?PMOS?又或者是NMOS呢?
LDO的功耗如何计算呢?它其实来源于输入输出电压差和输出电流:

Vin:输入电压
Vout:输出电压
Iout:输出电流
功耗到底耗在哪呢?其实这部分功率没用在负载上,全被LDO内部的功率晶体管“烧"成热量散掉了。比如Vin = 5V、Vout = 3.3V、Iout = 100mA:

0.17W的热量得靠散热设计带走,不然LDO就“原地红温”,触发保护关机了。
那么问题来了,这个LDO内部的功率晶体管到底是NPN?PNP?PMOS?又或者是NMOS呢?
事实上,LDO内部的功率晶体管用NPN,PNP,PMOS,NMOS的都有,各有各的优缺点,接下来就说说区别是什么。
功率晶体管无论是用NPN晶体管还是用PNP晶体管,其导通压差相比PMOS,NMOS都会更高,压差高意味着什么呢?比如目标输出电压是3.3V,如果压差电压是2V,则Vin至少得是5.3V,输出才能可靠的输出3.3V,低温的时候会更严重,这对于输入电压和输出电压比较接近的应用来说就没法用了。
如果用PMOS管,漏-源阻抗低,压差极低,因为压差取决于RDS(on)和电流。比如PMOS的RDS(on) = 1Ω, Iout = 100 mA, 压差:

目标输出3.3V,Vin至少用3.4V即可,完美契合低压差需求的应用。
如果用NMOS管,栅极就需要通过电荷泵建立偏置电压。PMOS栅极电压是低驱,所以不需要,所以PMOS的驱动电路会比较简洁,但是NMOS的内阻可以做的更小,通流能力会更强。
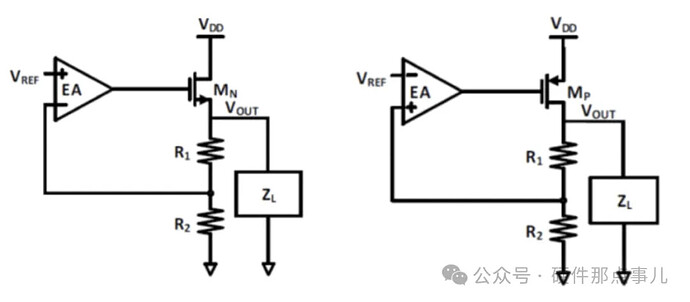
以下图为例我们讲一下LDO的基本原理:
上面的电路图显示了一个典型的LDO结构:
输入Vin和一个P沟道MOSFET,源极接Vin,漏极D接负载,栅极G由运放控制。运放的正输入接参考电压VREF,负输入通过分压电阻R1和R2采样Vout,输出控制MOSFET栅极。
输出公式:Vout =VREF ×(1+ R1/R2),这就是目标输出电压。
当Vout偏低,比如负载电流增大或Vin下降,运放会尝试调节MOSFET的导通状态,维持Vout恒定。但压差电压从何而来呢?
当Vout低于目标值,比如Vout<VREF ×(1 +R1/R2)),运放的正输入电压变小,输出Vg会变大(也就是更负),因为运放试图通过增大MOSFET的栅源电压Vgs(绝对值)来增加漏源导通,输出更多电流拉高Vout。
理想情况下运放输出Vg可以无限变负,Vgs无限增大,MOSFET的漏源电阻Rds趋近0,压差Vin-Vout 理论上可以无限小。但是现实情况是运放输出电压不是无限的,有最低值(通常接近GND 或负电源)。当Vg达到这个极限时,Vgs 不再增大,Rds不再减小,此时Vin -Vout就是压差电压。


