最近看了MPS的一个视频,是一个FLY-BUCK拓扑的,感觉这个拓扑还是挺实用的(因为我之前拆解某款电压表的时候就看到了这种拓扑),所以我就寻思着可以拿这个拓扑来做一个隔离型的4-20mA的环路变送器,应该是会比较好实现!先回顾一下这个小课堂,属于拆骨肉,是最香的
。
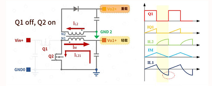
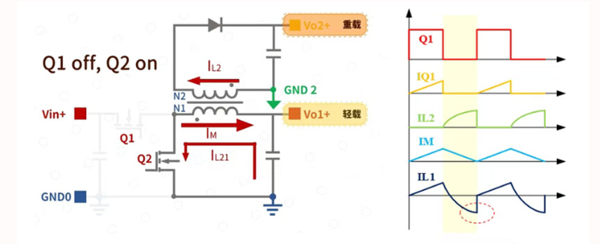
这个拓扑实在是挺好玩的,就是要注意如果副边功率消耗比原边低的话,若采用 Buck 芯片来构建隔离 Buck 电路时,需要选择工作在 FCCM 的同步 Buck 芯片。(这个在这期小课堂里有提及,真诚建议先戳进去复习一下)
那么我们就开始设计吧!首先是接口部分,我们设计指标就定为18~30V输入,所以接口部分的TVS保护器件就选择36V防护的TVS管,这里需要注意TVS的漏电流,因为TVS的漏电流是会影响到最终环路电流精度的。
然后是电源部分,准备采用MPS的新出的产品**MP4582**
作为电源转化,拉高MODE管脚,让MP4582强制工作在FCCM模式,这样有利于我们副边的电压电流转化。可以很方便地做Fly-buck拓扑。这一点在MPS的电源小课堂有所提及,因为如果原边的电流负载不如副边电流大的话,那么在做Fly-buck的时候就需要电源芯片处于FCCM模式,否则副边无法进行能量转换。
然后是测量侧(隔离侧),准备采用电桥的形式,组成三线法测量,能一定程度内补偿线阻带来的误差(因为PT100受线阻影响还蛮大的,基本上0.3Ω就要算1℃了),然后组成电桥就可以抵消掉线阻带来的影响。下图中黑色的是虚拟的接线图,画了3个线阻Rwire1~3。最终采集到的是PT100两端的电压(如果假设Rwire1=Rwire2的话),基本就可以平衡掉。
然后是测量侧(隔离侧)的MCU输出PWM去控制光耦隔离,然后光耦隔离后再经过一个有基准源校正后的反相器,将PWM转化为一个更为精准的2.5V幅值的PWM信号(这个信号与MCU输出的PWM同相)。电路就大致设计成如下所示吧:
由于在这种恒流源的设计中,三极管Q2处于放大区,功耗较大,所以需要对三极管进行功率计算,按最大电流为20mA计算,加在R7和R8上的电压为0.02A25=0.5V,所以加在三极管CE两端的电压:
VCE(max)=36-0.5=35.5V
所以P(max)=35.5V0.02=0.71W
所以需要对三极管部分的LAYOUT要做大面积铜皮散热处理。
最终这个电流再流到LOOP_N,非常的Nice!那么只要MCU通过ADC采集PT100两端的电压,然后推算出PT100的电阻,再通过PT100的电阻转化为温度信息,再通过PWM控制运算放大器的恒流源,就完成了4-20mA的恒流控制。就可以将温度通过4-20mA的环路电流输出出去啦!类似下图所示的线性转化关系,是不是很巧妙~路过的可以留下一个赞“
”

当然这个电路是我东拼西凑出来的,实物仍需验证,如果有设计的不太合理的地方请大家留言指正!(我好赶快修改)
最后,call back一下这个非常不错的MPS电源小课堂:MPS手把手教你搭隔离BUCK








