MP3924 poe设计

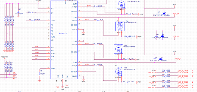
带有POE功能的RJ45,网线从交换机引出,插入RJ45,会直接将网络变压器烧坏。对比了mp3924demo原理图,没有看出差距,这是怎么回事。

您好,能提供如下信息吗?您的原理图、您所用的RJ45连接器的手册、您的RJ45连接器的PCB封装图,谢谢!