第一次在原厂发帖,紧张~如果说的不对,请各位大佬轻点打我~~~~火钳刘明
反激变换器因其结构简单、输入输出电压隔离等特性,常用在中小功率的电源中,像是每天都使用的手机电源适配器、工业用的辅助电源等,大都采取反激拓扑。但日常看到的反激电源其MOS管两端的电压波形常常长这样(见下左图),与书本上的波形图不太一样(见下右图),实际工作波形多了两段电压振铃,那么这是怎么一回事呢?
2 个赞
接下来就详解一下反激电源在实际工作中的波形图 ![]()
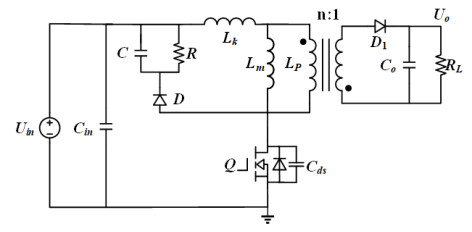
常见的反激电源如下图所示,其通过阻容二极管(RCD)电路来消耗漏感能量

当其工作在DCM状态下时,其工作波形如下图所示:

阶段1(t 0~t 1):t 0时刻开关管导通,在输入电压U in作用下,原边绕组电流i p线性上升。
由于副边绕组的极性相反,整流二极管承受反压关断,因此负载能量由输出电容C o提供,此阶段变压器储存能量。
阶段2(t 1~t 2):t 1时刻开关管关断,副边整流二极管导通,副边绕组电流i s给负载提供能量而开始下降。
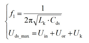
变压器漏感L k与开关管寄生电容C ds发生谐振,受阻尼影响电压尖峰会不断降低。
谐振频率和开关管两端的最大电压为:

其中,

式中,U or为副边反射电压;I lpk为初级电流峰值;U k为漏感产生的尖峰电压。
(bushi 话说哪位老哥能教教我论坛怎么打公式,敲了半天还是贴截图,心碎完了
)

阶段3(t 2~t 3):t 2时刻开关管两端电压变为输入电压U in与副边反射电压U or之和,副边绕组电流i s继续下降,直到t 3时刻电流变为0,整流二极管自然关断,变压器储存能量完全释放。
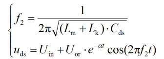
阶段4(t 3~t 4):t 3时刻,由于初级绕组失去钳位,因此初级绕组L p与寄生电容C ds产生谐振,并在漏源电压的谷底t 4时刻开通开关管,完成一个工作周期。
总结一下
第一次振铃主要是因为变压器漏感L k与开关管寄生电容C ds发生谐振;
第二次振铃主要是因为初级绕组L p与寄生电容C ds产生谐振。因为变压器的漏感远小于自感,因此第一次振铃的频率会远大于第二次振铃。
1 个赞

