Boost变换器由于自身拓扑结构的特性,无法实现真正的关断输出电压,因此会导致电源系统持续耗电、负载侧高压等问题,不利于电池供电设备的长时间待机,并存在安全隐患。
为实现Boost变换器的真正断开,本文介绍3种断开方式:体二极管断开、输出侧串联反向MOSFET和输入侧串联反向MOSFET断开。
0. 简介
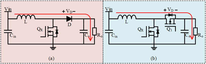
为什么Boost变换器无法断开输出?仔细观察Boost变换器的拓扑,如图1所示,分别是非同步Boost变换器和同步Boost变换器。当QR关断时,输入电压Vin经过电感L、二极管D或MOSFET Q1的体二极管与负载电阻Ro形成回路,此回路无法关断,导致输出电压为Vin减去二极管D或MOSFET Q1 的体二极管压降。
(Note :同步Boost 的上管Q1 可以采用NMOS 或PMOS ,但要确保体二极管方向正确,能够完成电感续流。)
图1. (a)非同步Boost变换器; (b)同步Boost变换器
要想断开Boost的输出,可以考虑从输入或输出侧断开的方式,下面进行具体断开方式的说明。
1. 断开Boost输出的方式
1.1 体二极管断开
以MP3423为例,如图2所示,Boost变换器上管Q1的体二极管通过切换漏源的连接方向,可以实现真正断开输出。

图2. 体二极管断开输出
1.2 输出侧断开:串联体二极管方向相反的MOSFET
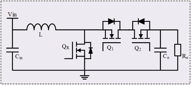
如图3所示,以NMOS上管为例,在Q1位置串联了一个相反方向的Q2。当正常工作时,要确保Q2导通,避免电感无法续流导致炸管;当要关断输出时,关断Q2,此时Q2的体二极管截止,输入电压Vin到输出负载Ro被断开。

图3. 输出侧断开:串联体二极管方向相反的MOSFET
1.3 输入侧断开:串联体二极管方向相反的MOSFET
以MP3428A为例,如图4所示,在电感L位置前串联了一个NMOS Q2。当要关断输出时,关断Q2,此时输入电压Vin到输出负载RO被Q2的体二极管断开。

图4. 输入侧断开:串联体二极管方向相反的MOSFET
总结
| 体二极管断开 | 输出侧断开(反向体二极管的MOSFET) | 输入侧断开(反向体二极管的MOSFET) | |
|---|---|---|---|
| 优点 | 体积小;避免增加功率管带来更多的Rds(on)损耗。 | 可利用分立器件搭建,灵活性强。 | 可利用分立器件搭建,灵活性强;利于保护及软起动。 |
| 缺点 | 常集成在电源芯片中,难以用分立器件搭建。 | 需要考虑MOSFET驱动的设计,以及续流时的控制逻辑。 | 需要考虑MOSFET驱动的设计,以及续流时的控制逻辑。 |
在实际应用中,体二极管断开的方式多数用在集成上管的Boost电源芯片中,体积更小,例如MP3423,这种方式相较串联体二极管方向相反MOSFET避免了增加功率管的数量,同时在正常工作时也避免了串联MOSFET导致的Rds(on)损耗。
串联体二极管方向相反的MOSFET方式更容易通过分立器件搭建,但需要注意MOSFET的驱动电压是否足够。当在输出侧串联NMOS时,由于Boost输出电压较高,即NMOS的源极电压较高,此时较难驱动,同时要确保工作时的Vgs能持续令NMOS导通。可以利用电荷泵或构造新的自举驱动等方式实现持续驱动,但也增加了系统复杂性。而在输入侧串联NMOS时,可以实现软起动,这是通过控制NMOS的导通程度限制电感电流实现的,在MP3428A中采用了此方式,同时能断开与前一级电源的连接。
此外,无论采用哪种断开Boost变换器输出的方式,都应该注意到,难以关断的拓扑特性也带来了难以进行过流保护和过功率保护的问题。同时,本文在第一节简介中还提到了电感的续流问题,如果在错误的时刻断开Boost,电感的电流也会导致MOSFET损坏。针对这两个问题,具体的解决方式可以参考MP3423以及MP3428A的数据手册。
参考文献
MPS,MP3423 9A, 600 kHz 高效同步 Boost 变换器 , 带输出关断功能, 2×2mm QFN
MPS,MP3428A 19A, 600 kHz, 20 V 宽输入范围同步 Boost 变换器 , 带输入断开功能
Hugo Zhou, Baily Wen


