说起耳机接口,应该都不陌生,毕竟现在手机电脑都会配备一个耳机接口,即使没有3.5mm接口,也会有usb-c接口的耳机,毕竟,谁都有想沉浸在自己音乐世界的时刻。
早期其实耳机的接口规范千差万别,有3.5mm,6.35mm, 2.5mm等等的,只是后来3.5mm接口作为标准被广泛接受,所以才有了我们见到的耳机接口都是3.5mm的现象。

那么先来看一下它的外观,不同于usb-a, usb-c等扁扁的接头,它是圆柱型的,所以也叫做3.5mm同心连接器(横截面是一个个的同心圆,也就是上图中的黑环)。
说起耳机接口,应该都不陌生,毕竟现在手机电脑都会配备一个耳机接口,即使没有3.5mm接口,也会有usb-c接口的耳机,毕竟,谁都有想沉浸在自己音乐世界的时刻。

这些圆其实也会根据圆的数量分为好几种种类,比如说三个圆就是广泛使用的TRRS,它有四个触点,这三个圆起绝缘作用;而两个圆的叫TRS,是不是感觉名称就比三个圆的少了一个R,是的,这就要说到它的缩写含义,其中T表示尖端(Tip),R表示中环(Ring),可以有一个或者多个R,S表示末端环套(Sleeve)。

所以如果中间只有一个环的话就是TS,只有两个触点,四个环就是TRRS。
同时耳机也分为两种,一种是支持麦克风的(headset,四个触点),一种是不支持麦克风的(headphone,三个触点)。

对于耳机的触点,一般中间的触点表示的是左声道和右声道的接口,TRRS还会加一个传输麦克风信号的接口,也就是headset。
在最常用的TRRS耳机的标准上,一般会采用两个标准OMTP和CTIA,它们的区别主要是在于麦克风接口和对地接口的顺序,OMTP末端是对地接口,CTIA末端是麦克风接口,国内一般都采用的是OMTP接口。
那是不是两个标准不能互通呢?
其实是可以的,市面有对做对两种标准兼容的方案。
它是通过在手机内部安装自动检测电路来判断插入的耳机是OMTP还是CTIA,从而自动输入对应的信号到相应的接口。
在原理上主要是利用麦克风要工作,就需要手机给它加载一个偏置电压,这个时候就需要audio芯片同时检测GND和MIC两个管脚上的电压,因为MIC上有一定的内阻,所以有一定的电压,GND的电压则为零,所以audio芯片就判断出耳机是采用的OMTP标准还是CTIA标准,从而作相应的反馈,达到最终兼容的效果。
关于USB Type-C接口转3.5mm耳机线原理
目前市面上上市的最新高端手机开始逐渐取消3.5mm耳机接口,改成只有USB Type-C接口。

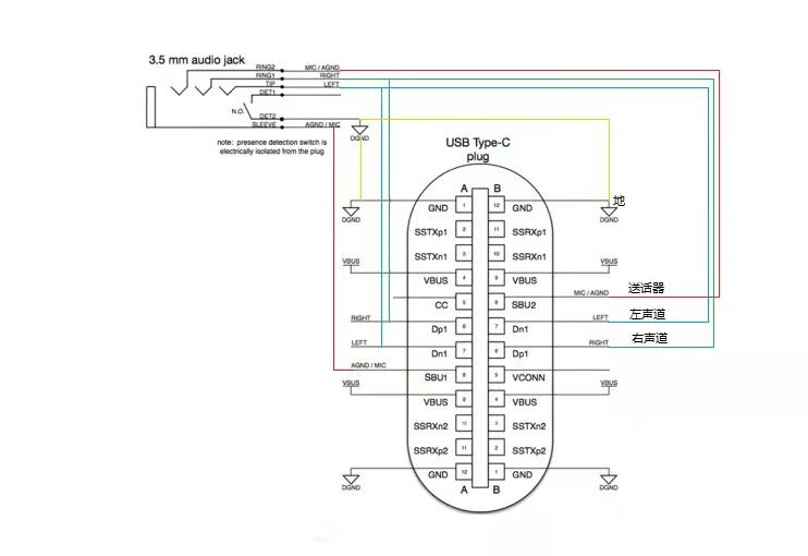
所以如果没有专门的USB-C耳机,就需要一个USB Type-C转接头来去使用耳机。在实现上,3.5mm耳机接口的4个引脚分别接到了USB-C接口的GND,SBU2,DP1,DN1引脚,所以依然可以接受到耳机的声音信号。
不错的分享,看到表情包不由自主的拆唱了出来