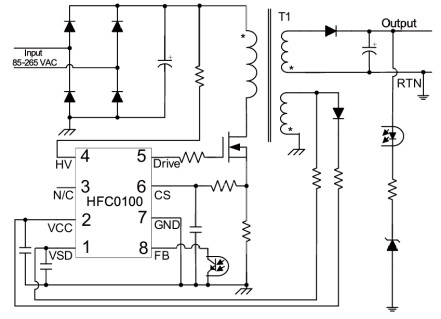
反激式拓扑结构因其简单、输入电压范围宽、成本低等优点被广泛应用于中小型消费级设备中。最常见的隔离拓扑结构分为原边反馈和副边反馈两类,其中副边反馈采用了光电耦合、TL431及相关阻容元件,可以实时监测副边输出电压的变化情况。
1 个赞
相较于副边反馈,原边反馈采用辅助绕组来代替光耦器件间接获取输出电压,因此如何提高采样的精确度一直是原边反馈的难点。副边绕组电压Vs可以表示为(Vo为输出电压,Vd为次级二极管的正向压降):
![]()
因此根据辅助绕组和副边绕组的关系可得VFB为(式中Naux为辅助绕组匝数,Ns为副边绕组匝数,R1、R2为分压电阻):

由上式可得VFB与输出电压并不是线性关系,当Is下降到0时采样VFB,此时Vd=0,即可通过VFB获得精确的输出电压,采样的最佳点一般称作膝点。当采用固定采样点的方式时,负载不同时,同一时间副边续流二极管上的电流不同,导致VFB不同,此时输出电压的采样将不精确,导致输出精度较低。以原边反馈芯片MP023为例,采样点会随着输入电压值而变化,具体如下图所示。
总而言之,相比较副边反馈而言,原边反馈具有更低的元件复杂度,因此成本与体积更低,更适合于小功率应用。但原边反馈不能直接采样输出端,因此输出精度较低,动态响应较慢。




