MP1541升压芯片带载问题

MP1541升压芯片,在轻载和重载情况下,SW引脚(对地)输出波形正常,当我电机驱动器那边输入信号为连续短脉冲,就是会处于波形塌陷问题,有时候轻载也会出现这种情况,是否正常,是什么原因导致的呢,求教一下谢谢

请问下连续短脉冲信号是加在哪里的呢

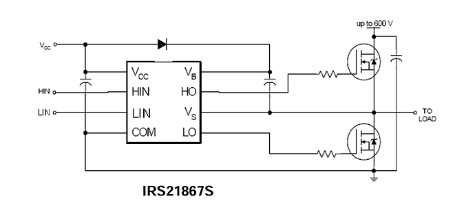
就是这个MP1541升压芯片是给3个这款驱动芯片供电,然后在驱动芯片的输入HIN和LIN加周期性的短脉冲(就是小占空比的方波),MP1541芯片的SW引脚波形就会塌陷,既不是轻载波形也不是重载波形

这个波形塌陷看着像工作在PFM模式下,只要boost电路的输出电压正常就没问题

那这个波形由什么原因造成的呢,因为驱动芯片在某种工作模式下,不稳定就是这个波形 :disappointed_face:

是boost的输出电压不稳定吗,有boost输出电压的波形吗

输出好像也没太大变化

升压电路输出稳定,那就对驱动芯片的供电没有影响吧,看着对实际的应用没有影响