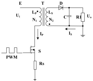
开个贴简单介绍一下反激电源的两种工作模式:电流连续模式(CCM)和电流断续模式(DCM)。
CCM下的波形如下图所示,其中Ton为开关管导通时间,Toff为开关管关断时间,Ton +Toff =Ts为一个开关周期的时间。
开个贴简单介绍一下反激电源的两种工作模式:电流连续模式(CCM)和电流断续模式(DCM)。
CCM下的波形如下图所示,其中Ton为开关管导通时间,Toff为开关管关断时间,Ton +Toff =Ts为一个开关周期的时间。
有两种工作状态:t0 ~ t1阶段,开关管导通,整流二极管截止,原边电流线性增长,变压器电感储存能量;
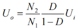
t1 ~ t2阶段,开关管断开,整流二极管导通,副边电流线性降低但不会减小到0,变压器电感释放能量。输入输出电压之间的关系为:

DCM下的波形如下图所示,有三种工作状态:
t0 ~ t1阶段,开关管导通,整流二极管截止,原边电流线性增长,变压器电感储存能量;
t1 ~ t2阶段,开关管断开,整流二极管导通,副边电流线性降低直到减小到0,整流二极管关断;
t2 ~ t3阶段,变压器原副边绕组的电流均为 0,由输出电容向负载电阻提供能量。输入与输出电压之间的关系为:


CCM与DCM的比较:
1、工作在DCM下的反激电路相比于CCM下的动态响应速度更快,受外界干扰时输出电压的波动较小;
2、在相同平均电流的输出下,由于CCM时输出电流为梯形波而DCM时输出电流为三角波,DCM时输出电流的尖峰更大,会使得输出电压纹波较大,需要并联较大的输出滤波电容。
3、当输出电流较大时,DCM时的电流峰值远远大于CCM时的,会使得对电路中的开关管、二极管的耐流值要求较高。
4、在最大磁通密度相同的情况下,DCM下的磁通密度变化量远大于CCM下的变化量,而较大的磁通密度变化量意味着更少的绕组匝数、更小的变压器磁芯体积,因此工作在DCM时的变压器磁芯利用率更大。