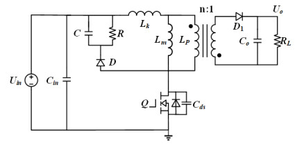
简单分享一下反激变压器的设计经验,由于现在的控制芯片大多采取准谐振(QR)控制的方式,在原边MOS管的电压谷底导通,由于谐振周期相对于开关周期而言较小,所以可以近似看作工作在临界导通模式(CRM)。下面就介绍工作在CRM下变压器的设计方法。
CRM下的工作波形如下图所示,从上到下分别是驱动电压波形、MOS管漏源电压波形、原边电流波形和副边电流波形。
根据变压器的储能原则可得:

当原边MOS管导通时,电感充电上升,可得:

联立上式可解得:

由上式可得,由于开关频率f 和工作效率η 在设计时已确定,因此,在确定原边电感量L p时,需考虑极限条件下的输入电压U in,输出功率P o以及占空比D 。
根据三角波几何计算可求得原副边电流的有效值:
初级电感量可由下式确定(一般将最大占空比设置在0.5以下):

一般用AP法进行磁芯选型:

式中,A w为磁芯的窗口面积,A e为磁芯的等效截面积,P o为输出功率,B m为最大磁通密度,f 为开关频率,K w为磁芯窗口系数,J 为绕组的电流密度。设计时应留有一定裕量,选取大于计算得到AP值的磁芯。
1 个赞
选取合适磁芯后,变压器原副边匝比可计算得到:

原边绕组匝数:

需要开气隙防止磁芯饱和,计算公式为:

原边绕组线径:

副边绕组线经:

在选择绕组参数时需考虑趋肤效应,趋肤深度的计算公式为:

在选择导线时,应选择直径不超过两倍趋肤深度的导线。
1 个赞
再补充一点,关于磁性材料的选取,常用的铁氧体最大磁通密度Bm在0.3-0.5T之间,具体因材料成分(如Mn-Zn、Ni-Zn)略有差异。如果想追求更小的体积、更大的磁通密度,还可以选择铁粉芯作为磁性材料,它的最大磁通密度通常在 0.8T-1.5T 之间,常见型号(如羰基铁粉芯)的典型值约1.0T-1.2T。
1 个赞


