【个人学习笔记】电压模式控制VS电流模式控制,谁更好?

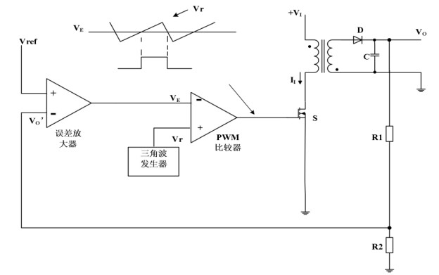
这一期简单总结一下电压模式与电流模式的一些区别。首先介绍电压模式控制,这是最早的开关稳压器设计所采用的方法,基本控制系统结构图如下所示:


输出电压经分压电阻后得到的反馈电压V o与参考电压值V ref进行比较,得到一个误差信号V E,该误差信号与三角波发生器产生的三角波进行比较,从而得到占空比D可调的PWM信号,控制主开关管的导通与关断。

其具有如下优点:
1、采用单个反馈环路,因而比较容易设计和分析;
2、一个大幅度斜坡波形提供了用于实现稳定调制过程的充分噪声裕量;
3、一个低阻抗功率输出为多输出电源提供了更加优良的交叉调制性能。

同时其具有如下缺点:
1、电压或负载中的任何变化都必须首先作为一个输出变化来检测,然后再由反馈环路来校正,这意味着缓慢的相应速度;
2、输出滤波器给控制环路增加了两个极点,因而在补偿设计误差放大器时就需要将主导极点低频衰减,或在补偿中增加一个零点;
由于环路增益会随着输入电压的变化而改变,因而使补偿进一步地复杂化。

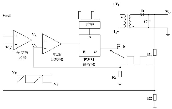
接着介绍电流模式控制,基本控制系统结构图如下所示:


与电压模式控制不同的是,电流模式控制包含电压环和电流环,输出电压经分压电阻分压后与参考电压比较,得到误差电压。
该误差电压V E作为电流环的参考值,同时通过采样电阻将原边电流转换为对应的电压值V S。主开关的状态由RS触发器决定,时钟信号每隔一个开关周期就产生一次置位信号,使得主开关管导通,输入电压开始给原边电感充电,原边电流上升,当原边电流上升到参考值V E时,电流比较器就输出高电平使得RS触发器复位,开关管关断。

峰值电流控制模式的主要优点是具有良好的动态特性,新功率级的传递函数比原功率级的传递函数少了一个低频极点。事实上,由于电流反馈的作用,另一个极点被移动到开关频率附近,所以在补偿网络中,无需增加超前补偿网络就可以获得宽带输出控制,使得系统具有良好的动态特性。

其具有如下优点:
1、电感器(变压器)电流与输入电压有关,因此对于输入电压的变化该波形将立即做出相应,从而消除了延迟相应以及随着输入电压的变化而产生的增益变化;
2、由于误差放大器用于控制输出电流而非电压,因此输出滤波器的影响被降至最低;
由于采用了开关管的峰值电流作为反馈量,在故障状态下,可以避免系统过流。

同时其具有如下缺点:
1、有两个反馈环路,增加了电路分析的难度;
2、当占空比大于50%时,控制环路将变得不稳定,需要采取斜坡补偿;
由于控制调制基于一个从输出电流中得到的信号,因此功率级中的谐振会将噪声引入控制环路。