“智慧能源魔方”计划打造一个高度集成、软件定义的桌面级能源中心,将传统的多路直流电源、隔离电源、可编程电源以及 USB PD 快充/受电功能,全部融合在一个小模块中。用户无需再为不同的供电需求堆砌多个模块,一个“魔方”即可满足从基础调试到复杂系统原型验证的全部需求。
项目采用 MPM3515作为主供电,可在宽输入范围内实现 1.5A 的连续输出电流;
以及两个支持大电流输出的降压模块 MPM3632C & MPM3650C,分别提供5v与3.3v的大电流输出;
MPM54524提供I2C接口,可提供多路可配置的电源输出。
个人目前的项目学习笔记:MPS电源魔方设计研究
1 个赞
项目原本计划使用卡缘连接器实现模块化链接提供扩展性,考虑到设计金手指具有一定的挑战性,目前采用一对板对板连接器以及贴片螺母/螺柱实现板子的层级堆叠。
本人目前经验缺缺,整体方案热设计和EMI考量十分匮乏,还望勿喷
1 个赞
主输入:MPM3515,提供12V1.5A持续输出
典型设计如图
使能/同步引脚可以控制3515的开关频率,输出电压通过FB引脚电阻分压调节。
根据手册第15页的分压公式:
,12V输出需要的电阻比值约为14.87;
手册推荐布局:
使用四层板进行布线,12V输出从内层走出去
PBB05-2-10-F-H4.0-G1-R-P-04,注意型号,有很多规格,我选的配合高度是6mm的组合
想问一下,这种接口的适用场景是什么呀,第一次接触,想跟着学习一下
hh,我pcb也才入门水平,这个是我随便挑的,单纯只是立创有封装还有满足10pin和我要的高度要求选的 
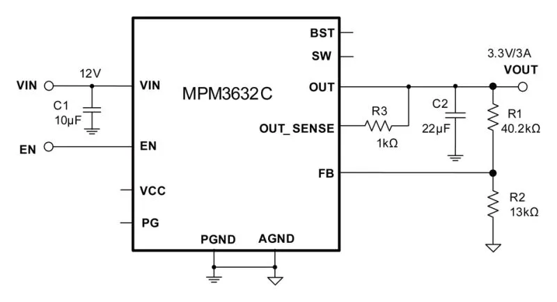
5V大电流输出: MPM3632C,可提供3A持续输出
和上面的降压芯片基本一致,多了个内部的采样用引脚,按手册建议使用1k电阻就行
手册推荐布局:
3.3V大电流输出:MPM3650C,能提供最高6A持续输出,3.3V下可达5A。
典型设计如图
分压公式为

,
R2建议取值在2k-100k之间,公式中的Vref目前不太清楚,数值上似乎等同0.6V的可调电压最低值。
手册推荐布局:
多路可调输出:MPM54524,带 I2C 接口的全集成、四路5A输出