在说推挽电路之前,先讲一下射极跟随器,顾名思义,**射极跟随器即为从发射极取信号(共集放大电路)。由于信号从基极输入,从发射极取出(发射极信号比基极小Vbe),所以他只有电流放大的能力,没有电压放大的能力。**下图是三极管放大电路的三种接法的比较,其中有对射极跟随器(共集电路)的定义,下图节选自《模拟电子技术基础》第五版:
那么可以根据射极跟随器这一特点进行什么样的电路应用呢?主要就是扩流,例如下图,在下图
的副边这个稳压管和三极管就是作为射极跟随器使用(实现类似LDO的降压),通过三极管扩流,输出电压:
Vout = Vz(稳压管击穿电压) - Vbe:
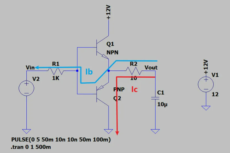
以上均是射极跟随器的应用,那么这样再看推挽输出电路,是不是就有点眼熟了呢?**推挽就是一个NPN型的射极跟随加上一个PNP型的射极跟随!**那么例如下图,输入为一个5V频率为10HZ的方波,假设Vbe=0.7V,那么请问输出波形是什么(不考虑RC滤波)?
A. 0-12V方波 B. 0.7-11.3V方波 C. 0-5V方波 D. 0.7-4.3V方波
正确答案是D,输出是0.7V~4.3V的方波信号。
通过仿真可以验证这一个想法,仿真结果如下,因为电容C1上的电放到接近VINmin+Vbe时下管Q2就截止了,所以输出波形最小为0.65V左右;当电容C1上的电充到VINmax-Vbe时上管Q1就截止了,所以最大值为4.3V左右。所以说推挽的输出信号就是跟随输入信号的,即推挽就是两个射极跟随器的结合。
当V2为高电平时,上管Q1导通,下管Q2截止,负载充电,电流路径如下图所示,蓝色为基极电流Ib,红色路径为集电极电流Ic,其中Ic = β*Ib。当负载充电到5V-Vbe时(忽略R1上的压降),上管Q1截止,所以输出最大值为4.3V左右。
当V2为低电平时,下管Q2导通,上管Q1截止,负载放电,电流路径如下图所示,蓝色为基极电流Ib,红色路径为集电极电流Ic,其中Ic = β*Ib。当负载放电到0V+Vbe时(忽略R1上的压降),下管Q2截止,所以输出最小值为0.7V左右。
(这两个过程也是“交越失真”的原因)
所以说要记住,NPN型的射极跟随器只具备输出电流的能力,不具备吸纳电流的能力。而PNP型的射极跟随器只具备吸纳电流的能力,不具备输出电流的能力。
那么**如何让其输出为B选项的0.7V~11.3V的方波呢?其实也很简单,只需要将V1方波信号改为12V的输入即可,或者就是再增加一个三极管做电平转化。**不过这样做会对上下管带来什么样的不同呢?
那么就是他**会造成上下管的输出和吸纳电流的能力略微不那么对称。**因为增加一级Q3电平转化电路后,上管Q1射极跟随器的基极驱动电流是通过电阻R3和电阻R2的串联提供的(2k),而下管的Q2的基极驱动电流是通过电阻R2和Q3提供的。
所以说,Q3的上拉电阻R3的取值不能太大,因为R3的大小直接关系到推挽输出上管Q1的基极电流Ib,(R1对上管和下管都有影响)。例如下图,对R3进行.step指令对其从10k到100k扫描,间隔30k,输出结果如下,可以看到,随着R3的增加,推挽输出波形上升的越缓慢,因为R3限制了上管Q1的输出能力:













