新能源汽车市场正处于快速发展阶段,特别是在中国,新能源乘用车的渗透率已经超过了50%。作为新能源汽车的核心部分,电源架构是影响电动车技术发展的关键。当前,为实现更快的充电速度和更高的整车能效,母线电压正由400V系统迅速向800V高压系统演进,这一变化为系统各部分带来了全新的挑战与机遇。
本文将围绕高压环境下的隔离辅助电源,从应用场景到解决方案进行全面解析,帮助工程师快速掌握该技术的核心。
隔离辅助电源的作用
当母线电压从400V提升至800V时,逆变器的主功率器件也正逐步由IGBT转向碳化硅。与此同时,驱动器和隔离辅助电源也需要相应调整,这构成了电源架构升级的重要环节。
隔离辅助电源本质是带隔离的DC/DC变换器,用于给系统中高压侧器件供电。鉴于当前电动汽车高压系统运行环境复杂多变,辅助电源必须具备良好的抗扰动能力和电磁兼容性,以确保输出始终稳定可靠。
在牵引逆变器中,隔离辅助电源正压用于保证功率模块可靠开通,而负压用于保证其可靠关断,避免干扰导致误导通,如此一来,就要求隔离辅助电源能够输出正压以及负压。此外,不同厂家的功率模块对驱动电压、关断电压要求也不同,这就要求隔离辅助电源输出电压应具备灵活可调的能力,以适配不同功率模块。
综上所述,隔离辅助电源的典型设计要求包括:严格的负载调整率和电压精度、较高的转换效率、良好的EMI/EMC性能、紧凑且高度集成的结构设计(有助于减重并提高抗冲击能力),以及完善的保护机制,如过压、过流、短路和过温保护等。
隔离辅助电源架构一探
隔离辅助电源架构可以有很多种,包括集中式、半分布式以及全分布式等多种架构,需要结合实际应用及需求进行选择与权衡。
首先是集中式电源架构,通过单个电源芯片驱动一个中央变压器或者多个离散的小变压器为所有栅极驱动器提供隔离供电。这种方案之所以广受欢迎,是因为其元件数量较少、成本较低。但集中式电源架构的主要缺点也很明显:庞大笨重的中央变压器使通过冲击测试更加困难;由于变压器的初级—次级电容较高,共模电流会干扰低压电路的功能;另外就是冗余性不足,由于系统中只有单个电源芯片,任何一路输出的短路就会影响其他输出;并且由于要保持高侧和低侧走线的高压爬电距离,PCB 布线更加复杂。
其次,是半分布式电源架构,它使用多个变压器为栅极驱动器产生辅助电压。半分布式架构有多种形式,比较典型的一种是两个电源芯片分别驱动两个副边三绕组变压器,分别为牵引逆变器中的高侧三个隔离栅极驱动器和低侧三个隔离栅极驱动器供电。上述副边三绕组变压器也可以是单独的三个独立变压器,只要驱动变压器的电源芯片是两个,实现上下桥臂栅极驱动器的部分解耦,都可认为是半分布式架构。使用三个独立变压器与副边三绕组变压器只是对于PCB的走线要求不同。
与集中式电源架构相比,半分布式方案也具有一些鲜明特色:可以实现更简单的变压器结构和PCB布局;尤其是单个驱动芯片驱动三个独立变压器,由于各个输出绕组不互相干扰,对于优化电源交叉率有好处;此外,重量分布合理,易于通过冲击测试。该方案主要的缺点在于元件数量较多、成本稍高。
最后,是全分布式电源架构,为每个栅极驱动器提供独立的隔离辅助电源。与半分布式架构相比,它不仅简化了变压器结构和PCB布局,还提升了隔离辅助电源的质量,并实现了更合理的重量分布。最重要的是,这种架构提升了系统鲁棒性。此外,这种架构非常适合模块化、平台化设计,单个电源模块体积小、布线灵活,非常有利于不同项目之间沿用继承。全分布式电源架构最大的挑战就是所需的元件数量和成本都最高,但是得益于其平台化方案,累计到一定数量之后也可能实现价格的下降。
DC/DC隔离拓扑
隔离辅助电源的拓扑也有很多种,包括反激式、推挽式、LLC 谐振和集成变压器模块等。每种拓扑都具有特定的优势,但同时也存在各种问题和挑战,工程师同样要根据设计需求来选择。
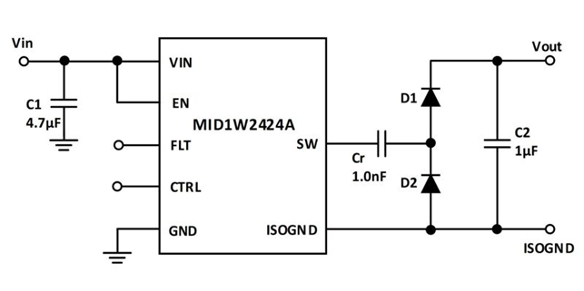
闭环反激式拓扑可以直接利用 12 V 电池供电,提供单级隔离辅助电源解决方案,反激有PSR以及SSR两种闭环调节方式,其中初级侧调节(PSR)反馈可实现严格的输出电压调节并无需光耦合器,并且元件数量较少。反激式拓扑的缺点包括:开关频率较低,这可能导致更大的磁性元件;为了减少漏感降低开关结点振铃,三明治绕线结构会带来较高的初级—次级寄生电容,在牵引逆变器等高压系统中,这种耦合很容易将高压侧的干扰传递到低压侧,可能会影响芯片正常工作。此外,传统反激电源要求的缓冲吸收电路也会带来BOM的增加。
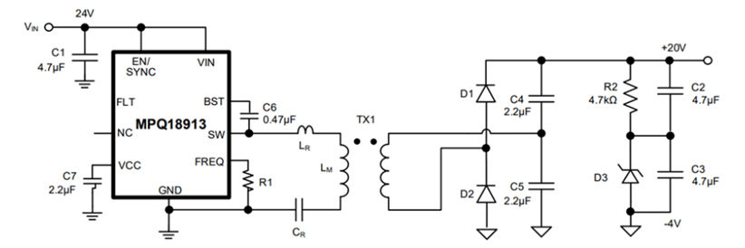
LLC 拓扑也是一种常见的隔离辅助电源拓扑,LLC 拓扑具有软开关功能,可以实现更佳的 EMI 性能;并且LLC对于漏感要求不高,可以利用分槽绕制的方案,有助于减小变压器原副边的耦合。由于LLC调制方式较为特殊,闭环控制的LLC设计稍有难度,然而在牵引逆变器隔离供电应用中,如果利用LLC的恒压点,使得开关频率等于谐振频率,将极大减小LLC设计的复杂性,MPS可提供设计工具支持客户快速构建LLC隔离电源。








