【个人经验分享】有源滤波器高频馈通及解决方案

最近在仿真MFB型带通滤波器的时候发现了一件有意思的事情,今天分享给大家。

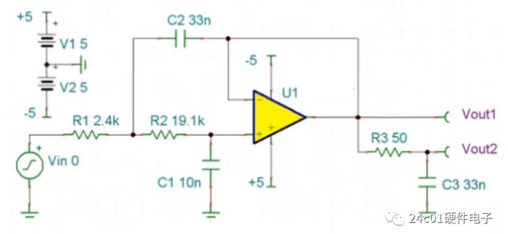
如下图参数&原理图所示,这是一个一阶的MFB型带通滤波器,在截止频率后,照理来说频率会以-20db/dec衰减,但是实际上发现,频率在到达300khz左右后便衰减不下去了,甚至幅频特性曲线在高频处发生了“上翘”;从而在高频处的滤波效果变差。那么究竟是怎么一回事呢?

通过查阅书籍得知这个现象叫做“高频馈通”,图摘自《OP放大电路设计》225页,高频情况下,下图C1等效为短路,高频信号会从C1穿行后,等效为R1和运算放大器高频处的输出电阻分压后出现在输出端。

通过仿真测得其在10Mhz下输出阻抗大约为700Ω,所以其在10Mhz下的等效电路变为了如下图所示:

然后对其进行AC-SWEEP后可以看出在10Mhz下时的增益是几乎吻合的(由于运算放大器的输出阻抗会随频率变化,所以其余点不吻合)。

1 个赞

那么有什么办法可以解决或者说减少这种信号高频馈通的现象呢?

网上查得主要解决方案有五种:

1.更换滤波器类型,例如本带通滤波器为MFB型带通滤波器,可更换为Sallen-key型滤波器,如下图所示,可以切断高频穿行路径(负反馈上的电容)。

2.加大MFB型带通滤波器的R1(该方法需注意运算放大器的输入失调电流,尽量选择CMOS或者FET型放大器,其输出偏置电流小),减少运算放大器输出阻抗的分压比,从而减弱在高频下的增益上升情况。

3.选择增益带宽积GBW更大的运算放大器(其高频下输出阻抗更小)

4.在反馈回路上增加一个电压跟随器做隔离,使信号的电流不再流过反馈回路上的电容从而和运算放大器的输出阻抗造成分压。(图片来自网络)

5.在输出端再加一级RC低通滤波器,对高频信号再滤波处理以抑制高频干扰。(图片来自网络)