一文搞懂RC滤波器的设计?

滤波器是一种可以对“波”进行过滤的器件,一般是特定频率的信号。所以可以常常看到滤波器的种类繁多,有高通滤波器,低通滤波器,带通滤波器及带阻滤波器等等。

滤波器的主要作用就是滤波,它需要尽可能的让有用信号能够做到无衰减的通过某个过程,而没有用的信号尽量滤除干净。

在滤波器中,对于需要的频段的信号,称为通频带或通带;对于需要滤除或受到很大衰减的信号叫做阻带。

滤波器由哪些部分组成?

滤波器的组成中一般会包含电容,电感和电阻等,通过不同的电路组合搭配,构成功能各异的滤波器,比如说LC滤波器和RC滤波器等等(无源滤波器)。

本篇主要介绍RC滤波器的设计。

RC滤波器顾名思义,就是主要由电阻和电容组成,具有较好的低频特性,电路简单,抗干扰性强,并且需要选用的电阻电容元件好获得,所以有被广泛的应用到相关的工程测试。

一阶RC低通滤波器是RC滤波器中一个非常简单的例子。

如上图所示,它只需要一个电阻和一个电容,输入端到输出端就是滤波的过程。

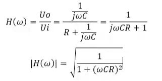
它的幅频计算公式就为:

可以看到,当w(频率f)很小时,H(f)近似为1,信号衰减很小;而当w(频率f)很大时,H(f)近似为0,信号会被阻挡,不能够通过。

将一阶RC低频滤波器中的电阻和电容互换一个位置的话就是一个一阶RC高频滤波器。

可以看到,和低通滤波器相反,当w(频率f)很大时,H(f)近似为1,信号衰减很小;而当w(频率f)很小时,H(f)近似为0,信号会被阻挡,不能够通过。

1 个赞

所以就比较有意思了,如果一个信号中既有低频信号,又有高频信号,这个时候两个都需要进行滤除怎么办?

这个时候就需要同时拥有低通滤波器和高通滤波器,并且实现上也非常简单,就是将低通滤波器和高通滤波器进行串联就好。

而这个低通和高通串联好的滤波器其实也有自己的名字,它叫做带通滤波器。与带通滤波器相对的还有一种带阻滤波器,它和带通滤波器相反,能让大部分频率的信号通过,但会阻挡某些特定范围频率的信号,使它们降低到极低的水平。

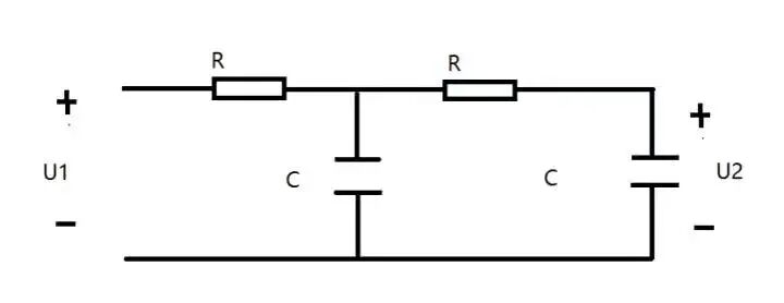
所以对于更高阶的RC滤波器,就是增加了电容,电阻的组合,比如说二阶RC滤波器,就是如下图所示(举例,下图为二阶低通滤波器)