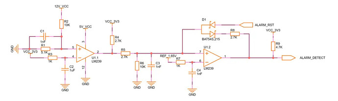
最近看到了一个很不错的电路,是一个自锁比较器输出电路。在一些需要自锁输出警告信息,安全性有要求的检测电路上比较好用。比如需要用户确认警告后才释放复位警告。电路图大致如下:
电路分析:
正常工作时,ALARM_RST管脚电压为低电平。
电路采用比较器作为电压监控。第一个比较器监控12V是否有跌落,如果跌落到3.3*(10+5.1)/5.1=9.77V以下,则第一个比较器输出电压为0V,否则输出为3.3V(上拉值)。
当电压跌落到9.77V以下时,由于第一个比较器输出为低电平(0V),则会拉低第二个比较器的Vp(7脚),使其电压大致为0V,然后第二个比较器的Vp<Vn,第二个比较器输出电压为低电平,然后D1二极管的下面的二极管会导通,持续拉低第二个比较器的Vp,然后实现自锁;即当电源电压发生跌落,且导致第一个比较器触发后,第二个比较器也触发后,第二个比较器就会一直输出低电平告知MCU(ALARM_DETECT)。就算此时12V的电压已经再次恢复至正常,第二个比较器也会因为二极管的电压钳位导致自锁。
那么如何释放比较器的自锁呢?也很简单,只需要让ALARM_RST管脚输出高电平即可实现复位,因为当ALARM_RST输出高电平时,会强制拉高Vp,从而实现第二个比较器的复位(输出高电平),这样就可以从自锁的状态中恢复。(比如用户确认了电压跌落警告,MCU就可以释放复位信号)
需要注意的是R8是自锁路径的限流电阻,不可以去掉,如果去掉的话,当MCU拉高ALARM_RST时会有较大的电流通过D1的下面的二极管流到比较器内部,可能造成MCU的IO损毁,所以必须加R8的限流电阻。
总结:
这个电路适合使用在一些高可靠性场合,比如必须需要用户确认告警才可以释放锁存。这样可以提高产品安全性。总体来说是一个很不错的设计。




