摘要
为现代应用提供电源,需要高电流输出、精确的瞬态控制以及灵活的电压配置。尤其是FPGA,其电源规格通常对输出电压 (VOUT)精度有严格的要求,无论温度变化还是器件老化,VOUT 的绝对精度都需保持在 ±1.5% 左右。部分厂商对负载调整率的要求更加苛刻。
配置 VOUT 最常用的方法是使用外部或内部电阻分压器。这种方法不仅能满足高精度要求,还具有配置上的灵活性。
MPM3695系列(MPM3695-10、MPM3695-20、MPM3695-25 和 MPM3695-100)可提供高达 800A 的电流,具备超快瞬态响应和出色的电压容差。设计人员可根据应用需求选择使用外部或内部分压器,以实现高度灵活性。内部电阻分压器具有紧凑、集成、易于使用的优势,适合空间受限但性能要求高的设计;外部分压器则提供更高的灵活性、可定制性以及更优的热管理能力。
引言
近年来,科技高速发展对电源的输出电流 (IOUT) 能力提出了更高的要求。然而,在紧凑封装中以高效率提供大电流输出,对于现代设计而言仍是一项挑战。
MPM3695 系列提供了全集成的电源模块解决方案,它配备 PMBus 接口并支持并联连接,可实现高达 800A 的出色输出能力(见表1)。凭借 MPS 独有的多相恒定导通时间(MCOT)控制技术,MPM3695 系列可以提供超快速瞬态响应,同时简化环路补偿设计。
表1: MPM3695 系列
| 产品型号 | MPM3695-10 | MPM3695-20 | MPM3695-25 | MPM3695-100 |
|---|---|---|---|---|
| IOUT(每相最大值)(A) | 10 | 25 | 20 | 100 |
| 从相(最大值) | 5 | 5 | 5 | 7 |
| 总IOUT(A) | 60 | 150 | 120 | 800 |
| 封装 | LGA-45 (8mmx8mmx2mm) | ECLGA-29 (5mmx6mmx4.4mm) | QFN-59 (10mmx12mmx4mm) | BGA (15mmx30mmx5.18mm) |
该系列器件通过PMBus接口实现模块的轻松配置和关键参数的监控,同时提供全面保护功能以确保系统的可靠运行。VOUT裕量、故障阈值以及相对于 VOUT的电源正常(PG)阈值都可以被轻松调整。这种灵活性实现了VOUT变化中的动态调节,无需手动更新,从而可加快设计进程。
输出电压设置
MPM3695系列提供两种VOUT调节方式:使用内部电阻分压器,或者外部电阻分压器。
图 1 展示了采用内部电阻分压器的典型应用电路。
图 1:采用内部电阻分压器的典型应用电路(单模块运行)
图 2 展示了采用外部电阻分压器的典型应用电路。
图 2:使用外部电阻分压器的典型应用电路(单模块操作)
根据具体设计,对于空间受限且有定制化需求的应用,同时采用内部和外部分压器更为有利。外部分压器还能改善热管理,因为功耗可以分布在整个 PCB 上。但外部分压器存在一个明显的缺点:其阻值公差可能影响 VOUT 精度。此外,电阻分压器具有温度系数,这意味着其阻值会随温度变化而波动。这种变化可能导致反馈电压 (VFB)产生轻微偏差,从而最终影响 VOUT。
MPM3695 系列支持通过 PMBus 协议配置 VOUT。表 2 显示了可用于修改 VOUT的命令。裕量电压(margin voltage)命令用于验证应用的稳健性,确保器件符合应用规格,并能够在电源电压随时间和温度变化时承受小幅波动。
一旦确定了所选电压值,它会与 VOUT_MAX 和 VOUT_MIN 命令设定的 VOUT 上下限进行比较,从而保证 VOUT 保持在安全范围内。最后,应用一个缩放系数来匹配参考电压。
表2: PMBus输出电压命令
| 命令 | 代码 | 描述 |
|---|---|---|
| VOUT_COMMAND | 0x21 | 设置设备正常运行期间的目标 VOUT。 |
| VOUT_MARGIN_HIGH | 0x25 | 设置上限电压,以便在裕量测试(临时裕量测试和性能验证)期间调整 VOUT。 |
| VOUT_MARGIN_LOW | 0x26 | 设置下限电压,以便在裕量测试(临时裕量测试和性能验证)期间调整 VOUT。 |
| VOUT_MAX | 0x24 | 设置最大允许 VOUT。这是一个永久性上限电压,如果超过此值将触发故障,可能导致负载或电源本身损坏。 |
| VOUT_MIN | 0x2B | 设置最小允许 VOUT。这是一个永久性下限电压,如果超过此值将触发故障,可能导致负载或电源本身损坏。 |
| VOUT_SCALE_LOOP | 0x29 | 调节反馈 (FB) 回路增益,这对于稳定电源或实现目标电压调节性能至关重要。 |
| OPERATION | 0x01 | 控制电源的开关状态以及 VOUT命令的基本来源(VOUT_COMMAND、VOUT_MARGIN_HIGH 或 VOUT_MARGIN_LOW)。 |
以 MPM3695-10 为例,VOUT 命令流程包括使用 OPERATION 命令选择三个输入之一作为标称电压的来源(VOUT_COMMAND、VOUT_MARGIN_HIGH 或 VOUT_MARGIN_LOW)(见图 3)。
图 3:MPM3695-10 PMBus 输出电压命令处理流程
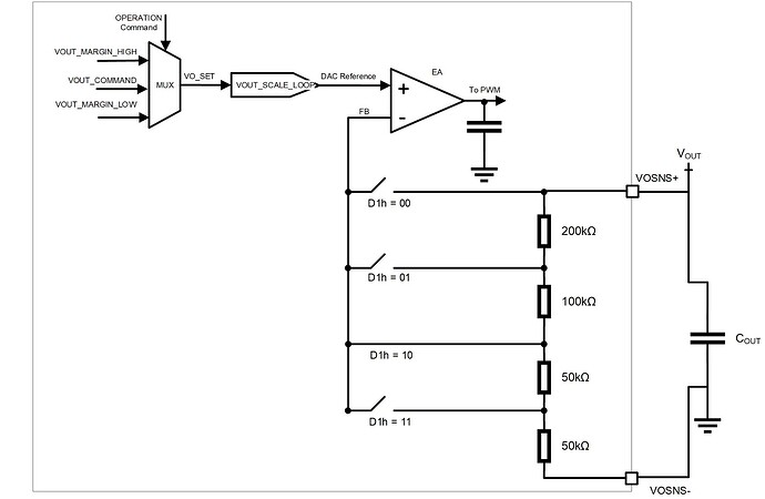
内部电阻分压器
VOUT通过 VOSNS+ 和 VOSNS- 引脚进行采样,由内部电阻分压器将 VOUT 降低到与参考电压 (VREF)相匹配。图 4 展示了如何配置内部电阻分压器。
图 4:内部电阻分压器设定的 VOUT
表 3 显示了使用内部电阻分压器时,通过设置VOUT_SCALE_LOOP(29h)和 MFR_CTRL_VOUT(D1h)得到的 VOUT 范围。使用内部电阻分压器时,必须完全断开外部反馈(FB)电阻,并根据实际应用选择合适的电压范围。
较高的反馈增益通常能加快对负载瞬态的响应速度。然而,过高的增益会导致不稳定或过冲,较低的增益则会延长稳定时间并减少过冲。
表 3:带内部电阻分压器的 MPM3695 系列 VOUT 范围
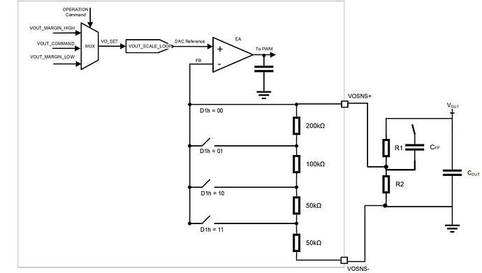
外部电阻分压器
使用外部分压器时,器件的 VOUT 通过两个串联电阻(R1 和 R2)形成的分压器进行缩放。VFB 通过 VOSNS+ 和 VOSNS- 引脚进行采样。图 5 展示了外部分压器的典型配置。
图 5:通过外部电阻分压器设置 VOUT
FB 电阻(R2 和 R1)的取值可通过公式 (1) 计算:
其中 VREF为参考电压,默认值为 0.6V,可调范围为 0.5V 至 0.672V;VOUT 为目标输出电压。
建议使用 1% 精度且温度系数低的电阻作为 FB 分压器。VOUT的 FB 增益可通过公式 (2) 估算:
对于给定的 FB 电阻网络,VOUT 的上限 (VOUT_MAX) 和下限 (VOUT_MIN)可分别通过公式 (3) 和公式 (4) 计算:
为优化负载瞬态响应,必须在 R1 上并联一个前馈电容(CFF)(见图 5)。表 4 显示了使用外部分压器时,通过设置 VOUT_SCALE_LOOP(29h)和 MFR_CTRL_VOUT(D1h)得到的
表 4:MPM3695 系列带外部电阻分压器的 VOUT 范围
表 5 列出了常见输出电压下 FB 电阻和前馈电容的值。
表5:常见输出电压
| VOUT (V) | R1 (kΩ) | R2(kΩ) | CFF (nF) | VOUT_SCALE_LOOP (29h) |
|---|---|---|---|---|
| 0.9 | 0.5 | 1 | 33 | 0.66 |
| 1.2 | 1 | 1 | 33 | 0.50 |
| 1.8 | 2 | 1 | 33 | 0.33 |
| 3.3 | 4.53 | 1 | 4.7 | 0.18 |
| 5 | 7.32 | 1 | 4.7 | 0.12 |
实用设计示例
外部分压器
下面提供了采用 MPM3695-25 并通过外部电阻分压器设置 VOUT 的实际示例。表 6 列出了此示例中使用的所有参数。
表6:设计示例参数
| 输入电压 (VIN) | 12V |
|---|---|
| 输出电压 (VOUT) | 1.8V |
| 最大输出电流 (IO_MAX) | 10A |
| 开关频率 (fSW) | 800kHz |
选择 R1 = 2kΩ 和 VREF = 0.6V,并使用公式 (5) 估算 R2:
使用公式 (6) 计算电阻分压器增益:
VOUT_MAX 和 VOUT_MIN 可分别使用公式 (7) 和公式 (8) 估算:
使用上述电阻分压器时,若不遵守这些限制,将导致 VOUT 精度降低。
表 7 显示了本例中用于标称 VOUT 命令(VOUT_COMMAND)和外部电阻分压器增益
(VOUT_SCALE_LOOP)的配置值。同时也包含裕量 VOUT 限制命令(VOUT_MARGIN_HIGH 和 VOUT_MARGIN_LOW)以及保护性 VOUT 限制命令(VOUT_MAX 和 VOUT_MIN)的数值。
表 7:PMBus VOUT 命令值示例
| 命令 | 代码 | 十六进制值 | 十进制值 |
|---|---|---|---|
| VOUT_COMMAND | 0x21 | 0x384 | 1.8V |
| VOUT_SCALE_LOOP | 0x29 | 0x14A | 0.33 |
| VOUT_MARGIN_HIGH | 0x25 | 0x3E8 | 2V |
| VOUT_MARGIN_LOW | 0x26 | 0x320 | 1.6V |
| VOUT_MIN | 0x2B | 0x1F4 | 1V |
| VOUT_MAX | 0x24 | 0x4E2 | 2.5V |
| MRF_CTRL_VOUT | 0xD1 | 0x00 | 0 |
实际输出电压 (VOUT_REAL) 可通过公式 (9) 计算:
当满足下列条件时,VOUT_REAL = VOUT_COMMAND,可通过公式(10)估算:
在本例中,VOUT_SCALE_LOOP 与电阻分压器的实际增益相匹配,因此 VOUT_REAL 等于通过 VOUT_COMMAND(21h)配置的电压值。
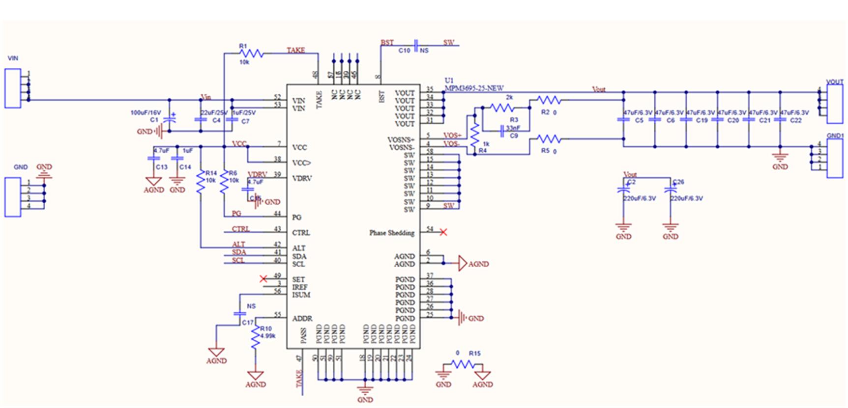
本例采用了 MPM3695-25 的评估板(EVM3695-25-RF-02A),并在单相配置下进行测试。图 6 展示了搭建的电路。
图6: EVM3695-25-RF-02A原理图
通过MPS 的 Virtual Bench Pro 4.0 GUI图形用户界面(GUI)可以对 MPM3695 系列进行配置。图 7 展示了本例中使用的主要 PMBus VOUT 命令。
“Parameters”(参数)标签页分为两个区域:上方为基本参数,下方为高级配置。图 7 中的 Box 1 显示了 VOUT_COMMAND(21h)、VOUT_SCALE_LOOP(29h)和 MFR_CTRL_VOUT(D1h)的配置;Box 2 显示了以下 VOUT 命令:VOUT_MAX(24h)、VOUT_MIN(2Bh)、VOUT_MARGIN_LOW(26h)和 VOUT_MARGIN_HIGH(25h)。每个寄存器的配置值(十六进制格式)可在 Box 3 的 “Register Map” 标签页中查看(见图 7)。
MPM3695 系列电源模块还支持遥测命令,例如 READ_VIN(88h)、READ_VOUT(8Bh)、READ_IOUT(8Ch)和 READ_TEMPERATURE(8Dh)。这些命令分别用于实时监测输入电压 (VIN)、VOUT、负载电流以及温度。在图 7 的 Box 4 “Monitoring” 区域中可以看到这些监测值。
图7: MPM3695-25 GUI
VOUT_COMMAND(21h)用于设置标称电压源。图 8 显示了实时监测值(黄色框)是否与应用的目标值匹配。若要将 VOUT_MARGIN_HIGH(25h)设置为标称 VOUT 源,并以高裕量启动器件,可将 OPERATION(01h)命令的 bits[5:4] 设置为 10b。根据表 6,目标高裕量值设置为 2V。
图 8 还显示了实时监测的 VOUT(绿色框)是否与通过 VOUT_MARGIN_HIGH(25h)配置的值一致。
图 8:VOUT_MARGIN_HIGH (25h) 配置示例
图 9 显示了 VOUT_MARGIN_LOW(26h)的测量结果是否与本例配置值匹配。
图 9:VOUT_MARGIN_LOW 命令配置示例
内部电阻分压器
参考表 6 的参数,本节介绍如何使用内部电阻分压器配置 VOUT。
确保 VOSNS+ 和 VOSNS- 引脚直接连接到 VOUT 采样点(见图 4)。在此场景下,R3 设置为0Ω,图 6 中的 R4 已移除。
内部与外部分压器切换时,为安全起见,强烈建议通过 EN 引脚禁用器件,否则可能导致器件损坏。
VOUT范围通过 MFR_CTRL_VOUT (D1h) 的 bits[1:0](设置为 10b)设置,VOUT_SCALE_LOOP (29h) 设置为 0x00FA(见表 3)。表 8 展示了使用内部电阻分压器将 VOUT 设置为 1.8V 的 PMBus 命令序列。
表 8:用于配置内部分压器的 PMBus 命令序列
| 步骤 | 命令 | 代码 | 十六进制值 | 十进制值 |
|---|---|---|---|---|
| 1 | MFR_CTRL_VOUT | 0xD1 | 0x02 | 2 |
| 2 | VOUT_SCALE_LOOP | 0x29 | 0x14F | 335 |
| 3 | VOUT_COMMAND | 0x21 | 0x384 | 1.8V |
| - | VOUT_MARGIN_HIGH | 0x25 | 0x3E8 | 2V |
| - | VOUT_MARGIN_LOW | 0x26 | 0x320 | 1.6V |
| - | VOUT_MIN | 0x2B | 0x1F4 | 1V |
| - | VOUT_MAX | 0x24 | 0x4E2 | 2.5V |
通过 PMBus 接口动态调整 VOUT 在更改 I/O 电压时特别有用,例如重新配置新 FPGA(如Achronix Speedster7t方案)的功能。此外,该动态调整功能也可用于在 FPGA 工作过程中调节核心电压,从而最大程度地降低功耗。
图 10 展示了使用内部电阻分压器配置 VOUT 时的 GUI 界面,其中绿色框显示 VOUT_COMMAND(21h)和 MFR_CTRL_VOUT(D1h)bits[1:0] 的命令值。VOUT 电流、负载电流及器件温度可在“Monitoring”区域(黄色框)实时监测(见图 10)。
图 10:使用内部分压器配置的 VOUT
结语
选择内部电阻分压器还是外部电阻分压器来配置 VOUT 取决于应用的具体需求,包括设计灵活性、空间限制、精度要求以及对环境因素的敏感性。
MPM3695 系列(MPM3695-10、MPM3695-20、MPM3695-25 和 MPM3695-100)可以通过内部或外部电阻分压器灵活配置VOUT。根据实验结果,两种方法在实时 VOUT 测量中均能实现高精度。此外,通过设置裕量电压和 PMBus 命令,MPM3695 系列亦适合需要精确 VOUT 控制的应用。
如需更多电源模块解决方案,可浏览 MPS 丰富的电源模块产品系列。
如有 相关需求/技术咨询/产品咨询 等可点击 MPS NOW 在线技术支持 , 工程师将为您直接提供项目技术支持服务
查看更多技术资源可访问:Resource Center

也可以直接私信论坛管理员 @Jolene.Zhou












