在电路设计中,肯定离不开对于基础电路的掌握,而在基础电路中,差分放大电路是非常重要的一个电路,不过在很多硬件学习者中可能对于它掌握的不是特别牢靠,这里就来深入研究分析一下。
差分放大电路是模拟集成运放电路常常会采用的输入级电路形式,它由两个对称的基本放大电路组成(输入电压是相反的),输出极也就是发射级公共电阻耦合构成。
在电路设计中,肯定离不开对于基础电路的掌握,而在基础电路中,差分放大电路是非常重要的一个电路,不过在很多硬件学习者中可能对于它掌握的不是特别牢靠,这里就来深入研究分析一下。
差分放大电路是模拟集成运放电路常常会采用的输入级电路形式,它由两个对称的基本放大电路组成(输入电压是相反的),输出极也就是发射级公共电阻耦合构成。
差分放大电路特点:
**电路两边对称:**电路两边不管是元素组成还是电流电压大小都是相同的,只不过方向不同。
**共用发射级电阻:**发射极的电流会进行叠加,也就是单个放大电流的两倍
**具有两个信号输入端:**这个和共模电路一样,两个输入信号端
**信号既可以双端输出,也可以单端输出:**它共有四种类型,分别是单端输入,单端输出;单端输入,双端输出;双端输入,单端输出;双端输入,双端输出。
差分放大作用
要理解差分放大电路的作用,就需要先明白它的使用场景。
在电路工作过程中,周围环境包括温度什么的不会是一成不变的,所以当一些因素发生变换的时候,元器件的特性就会发生变化引起零漂以及静态工作点的变化。
所以在直接耦合放大电路中,因可能产生的运行环境变化,误差漂移电压和有用的信号会一起被放大传送到放大电路的下一级。而差分放大电路就可以很好的避免这种事情发生,有效抑制零漂。
通常克服温度零漂的方法是引入直流负反馈,或者温度补充。
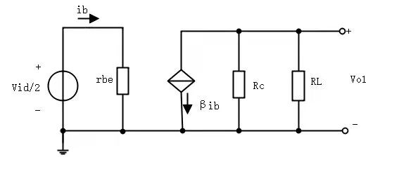
在具体工作时,差分放大电路可以很好的抑制零漂移,比如说单端输出的差分放大电路,在输出时,因为射极电阻是共用的,所以两个方向上的射极影响是相同的,也就不会导致产生的影响不同(对于射极电阻R),此时流过射极电阻R的电流为2i,所以可以稳定静态工作点。
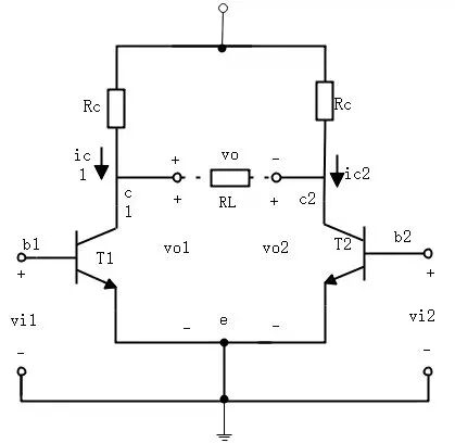
对于双端输出的差分放大电路,因为两端压降是相等的,比如说温度增加T,两个管子的集电极电流也会相应改变,但是改变的差值两者是一样的,所以最终两个集电极的电压也是相同的。就有效的抑制了零漂现象(静态工作点从原位置离开)。