最近看到了了一个简单的4~20mA的PT100环路变送器的电路板,据说这种电路板大概15元,买了装在赫斯曼接头里就可以做产品出,我也是第一次听说赫斯曼接头的学名,算是对应上了,也顺带贴个赫斯曼接头的图:
然后本期分享的电路PCBA的图如下所示,正面Top,可以看到一个基准源,LDO,运放,三极管,还有一个被磨掉丝印的单片机,左边的两个接口是环路电源输入,右边三个焊接点是焊接三线PT100的连接线(三线制):
那么我们就开始看一下电路图吧,接口输入部分大致如下,主要是由一颗LDO组成的一个恒流源将输入电压降下来(可以理解为LDO类似放大区的三极管,或者把它理解成一个滑动变阻器也可以,吃掉多余的电压,配合2.5V基准源将电压钳位至2.5V),然后这个2.5V的基准电压用来给单片机以及后级的运放和惠斯通电桥供电。
根据刚才的原理图,大致的恒流值就是3.3/845≈3.9mA。
这个也就是保证后级所有的电流加起来(单片机以及惠斯通电桥)的电流加起来就只有3.9mA,这个很重要,因为这个是一个4~20mA的PT100环路变送器,要保证这个电流不超过4mA,不然就会影响正常的环路电流数据输出。
值得一提的是,这个LDO的上面由于吃掉很多电压,是会有一些功耗在上面的,假如输入电压是24V,那么在这个LDO上的功耗大概是:
(24-2.5-3.3)*0.0039≈0.071W
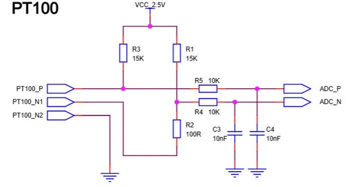
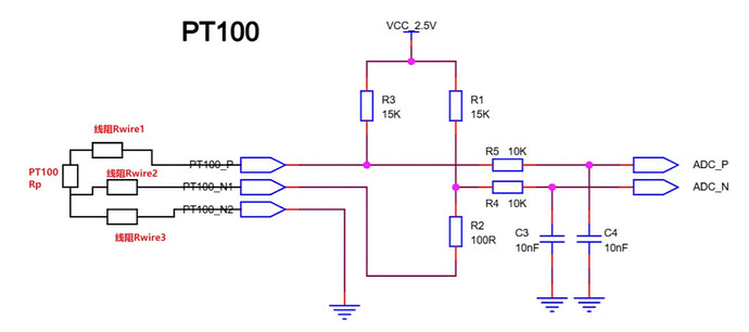
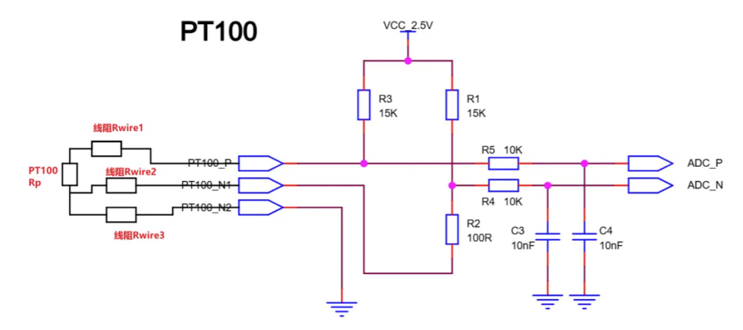
然后是这个PT100的惠斯通电桥部分,这部分是这样处理的,这个也是常规的三线制PT100是用法。ADC_P和ADC_N输出给单片机的ADC做采集。
不过可以看到,这个R3和R1还是蛮大的,激励电流很小,大概就2.5/15k≈167uA。我个人认为这个激励电流可以加大一些,可以将R3和R1调小一些,只要不超过PT100的电流限值,不会让其自热影响误差即可。下图是某PT100手册中的激励电流的截图:
然后这个惠斯通电桥的接线图大致如下所示,下图中R17,R19,R18与外置的PT100组成一个电桥,ADC只需要采集电桥输出的电压即可计算相应的PT100的电阻阻值,进而推算出温度,在假定Rwire1等于Rwire2的情况下,可以抵消线阻带来的PT100采集误差(当然并不能完全平衡掉,毕竟PT100的阻值会变化,只会补偿掉大部分。)Vp和Vn的计算公式大致如下:
ADC_P=Vrp+Vrwire1+Vrwire3
ADC_N=Vr2+Vrwire2+Vrwire3
因为最后单片机是采集的是ADC_P-ADC_N的压差,那么假如Rwire1和Rwire2的线阻相等,那么也就可以自然的抵消掉线阻带来的电阻误差。
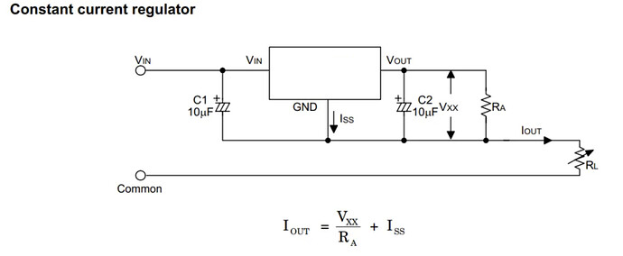
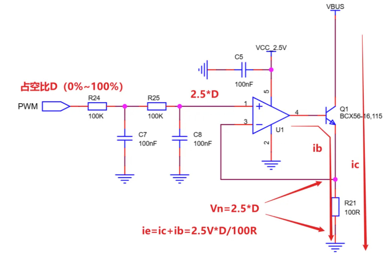
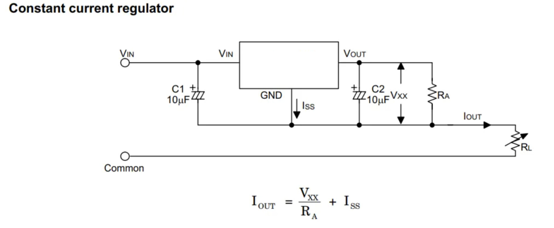
然后就是最后一张的恒流源电路图,这个也是一个很常规的sink类型的电流源,相信关注我的朋友已经见过很多次了,单片机(2.5V供电)输出的PWM经过二阶的RC滤波之后得到一个DAC的电压,电压值就是2.5V*D(D为PWM的占空比),那么Vp就是2.5*D,由于运放存在负反馈,所以Vn=Vp也就等于2.5*D,所以就可以得到这个恒流源最终恒流值为2.5*D/100。
然后我们知道刚才LDO那边恒流值是3.9mA,假如此时PT100的量程为-40~40℃,环境温度为0℃,也就是需要环路输出电流为半量程也就是12mA,那么我们只需要让单片机控制这个恒流源输出额外的电流即可,就是:
12-3.9=8.1mA即可
为了方便理解,我画一下示意图,即有两个电流路径,如下:
好的,那么本期的分享也就到此结束啦~ 周五周五,敲锣打鼓!!
![]()









