随着系统应用的发展,电源应用的需求越来越多,同时在一个系统中,电源Rail要求也越来越多,而且不同的Rail需要按照一定的时序上电或者下电。
如图1所示,是一个常见的系统,12V经过降压处理后分别需要给MCU、CAN、MIC、蓝牙等设备供电,这些设备所需要的电压和时序分别不同,那么如何简单方便地实现不同电压之间的时序配置呢?
图1:系统中不同设备的电压和时序各不相同

↓下方文字省时版↓
随着系统应用的发展,电源应用的需求越来越多,同时在一个系统中,电源Rail要求也越来越多,而且不同的Rail需要按照一定的时序上电或者下电。
如图1所示,是一个常见的系统,12V经过降压处理后分别需要给MCU、CAN、MIC、蓝牙等设备供电,这些设备所需要的电压和时序分别不同,那么如何简单方便地实现不同电压之间的时序配置呢?

↓下方文字省时版↓
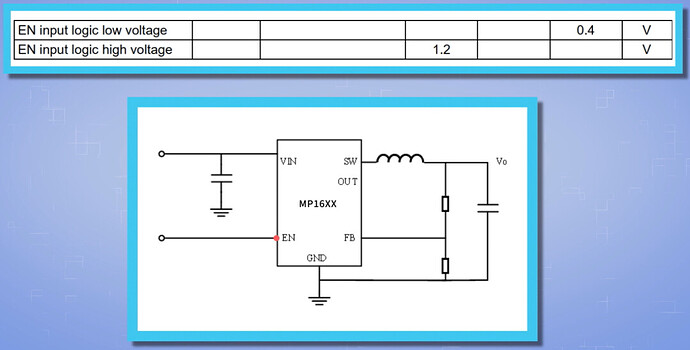
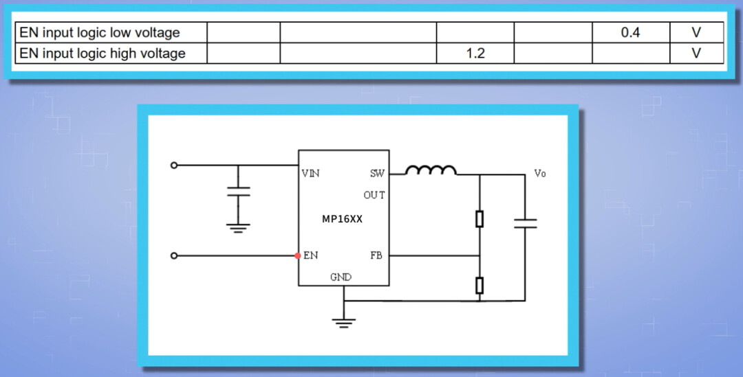
首先,我们来了解一下DCDC芯片的EN脚功能。
所有的电源芯片上都会存在一个EN脚,用于Vin上电后对芯片的开关控制。同时因为通常EN脚仅仅用于芯片的开关控制,所以门槛电压精度不会太高,一般规格书中也只会体现开通的最低门槛以及关闭的最高门槛,不会提供完整的范围信息。
在低成本的应用中,从系统角度考虑为了节省成本,会需要EN脚具有更丰富的功能,因此需要EN具有更高的门槛电压精度。比如MP1658 的EN门槛电压精度经过特别的优化处理,除了可以实现对芯片的开关控制之外,也可用于配置时序。
以MP1658 为例,在Vin电压建立后,当EN脚电平高于1.2V,芯片开始工作;当EN脚电平低于1.1V,芯片停止工作。

图3:MP1658 的EN工作逻辑
在一个电源系统中,如果有多路电源,我们如何利用EN脚来设置不同电源输出的时序呢?
01
MCU GPIO控制DCDC EN脚
了解了EN脚功能,最简单的第一种方法就是用 MCU的GPIO脚来控制电源芯片的EN脚。 通常来说,同一个时序的所有电源可以共用一路GPIO控制信号。
这个方法的优点是,可以精准地通过MCU控制几路电源之间的开通和关断延迟时间。 先打开的电源,可以先关闭,也可以后关闭,时序灵活。
但是,随着系统越来越复杂,MCU的GPIO资源将会被大大占用。如果想节省MCU资源,或者在没有MCU的系统中,该如何实现时序的控制呢?
02
RC电路延迟控制EN脚
刚刚我们介绍到,对于所有芯片的EN脚,都存在一个开通门槛电压,如果我们可以控制不同的电源芯片EN脚达到开通门槛电压的时间,那么就实现了对电源输出时序的控制。
据此就得到了第二种配置时序的方法:在不同的电源芯片的Vin,EN和GND之间加上不同参数的RC电路,通过配置RC时间常数的大小,得到需要的时序。
以图示的3颗DCDC系统为例,如果我们在三路电源中采用不同的R和C,配置EN1最先爬升到开通门槛,Vo1开始建立;紧接着,EN2爬升到了开通门槛,Vo2开始建立;最后,EN3爬升到开通门槛,Vo3开始建立。
当需要关闭时候,RC时间常数最小的电源EN先放电到关断门槛,时间常数最大的电源EN最后放电到关断门槛。
这个方法的优点是电路和控制都非常简单 ,但同时也存在几个问题:
首先,这种方法中,先开的电源先关,后开的电源后关,关机时序受开机时序的影响。
其次,这种方法对DCDC芯片EN脚门槛精度要求高,需要选用像MP1658 这类EN经过优化的DCDC。否则随着芯片分散性,各个Power Rail之间的开关机延迟时间将会有比较大的变化。
最后,对于有快速开关机要求的系统,需要评估RC常数对其的影响,如果C太大,有可能引起系统功能失效。
03
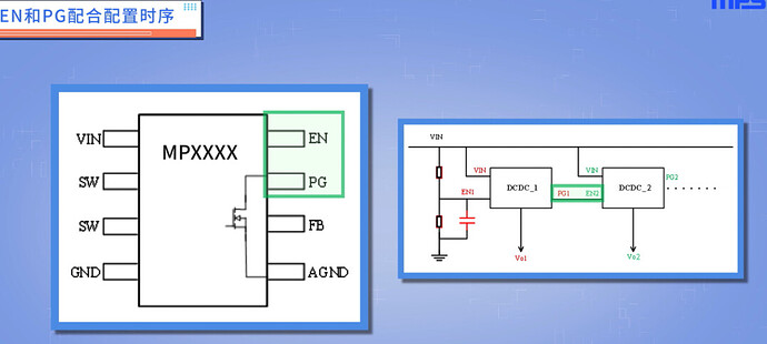
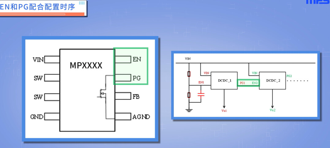
EN脚+PG脚配合控制
其实还有另外一类DCDC芯片,它们不仅仅有EN脚,还有另外的一个PG脚:当Vo超出正常范围,芯片内部PG脚对地的MOS导通,PG被拉低;当Vo恢复到正常范围之后,芯片内部才会释放MOS,使PG通过外部上拉电路被拉高。
对于使用此类芯片的系统,我们可以采用第三种方法,用PG和EN配合,实现对系统的时序控制。
如图7所示的系统,第一路电源的EN可以通过Vin的分压产生,第一路电源的PG信号作为第二路电源的EN信号,以此类推。当Vin上电之后,第一路电源开始工作,当Vo1建立到正常范围,PG1被拉高,第二路电源的EN脚也因此被拉高,第二路电源开始工作,以此类推产生图示的时序。
这个方法的优点是,系统设计简单,而且受器件分散性的影响较小。
但是这种方法仍然也存在几个问题:
首先,开机时序影响关机时序,先开的电源先关,后开的电源后关,时序配置不够灵活;
其次,需要评估不同DCDC芯片PG脚的响应时间以及默认状态对延迟时间和时序的影响。
以上介绍了三种不同的EN脚控制时序的方法,这三种方法要么需要占用比较多的硬件资源,要么存在开关机延迟时间受器件分散性影响大,开机时序影响关机时序等问题。
那么,有没有其他更加简单便捷而且灵活的时序配置方法呢?
04
PMIC内部寄存器配置
为了得到更完美的开关机时序,随着芯片技术的发展,对许多PMIC芯片而言,只需要简单地配置几个寄存器,就能得到需要的开关机时序和各路输出的延迟时间。 而且开机和关机时序可以完全解耦,关机时序不再会受到开机时序的限制。同时,开关机时序以及延迟时间受器件分散性影响非常小,几乎可以忽略不计。
最后,我们来做一个回顾总结:在电源需求比较复杂的系统中,需要配置不同电源输出之间的开关机时序,通常我们有下列四种方法。
这四种方法各有优劣,工程师朋友们,请根据产品的具体情况选取不同的方法,来完成产品的时序配置吧。