【技术文章】利用智能理想二极管实现汽车电池前端保护

简介

汽车电池端子在启动、车辆保养或维修过程中可能被反接,如果对这些故障条件不能恰当处理,电子控制单元 (ECU) 中的组件就可能损坏。除此之外,正常运行期间的汽车电池电压也可能不恒定。在 EMC 标准(如 ISO 7637 和 ISO 16750)规定的几项瞬态测试中,输入电压 (VIN) 甚至可能为负。这些潜在的风险意味着为汽车电池提供前端保护十分必要。

肖特基二极管和 P 沟道 MOSFET (P-FET) 广泛应用于汽车电源系统设计,以实现电池反向保护和汽车电气瞬态保护。但这些传统解决方案功耗极大,这降低了热效率,并使设计人员很难满足系统的成本与空间要求。

本文将介绍反极性保护解决方案,并以 MPS 的 MPQ5850-AEC1 (一款可用于汽车前端保护的智能二极管控制器)为例,探讨相比传统前端保护解决方案,采用控制器所具有的优势。

采用肖特基二极管进行前端保护

肖特基二极管提供了最简单的反极性保护,其原理图如下(图 1)。正常工作时,二极管 (D1) 正向导通;如果施加反向电压,D1 将停止导通。

image
图 1:采用肖特基二极管实现反极性保护

由于二极管具有恒定且明显的正向压降,随着正常工作电流的增加,二极管上消耗的功率也会成比例增加,从而导致其散热性能不佳。因此,肖特基二极管解决方案通常仅用于小电流应用。现在,越来越多更好的策略不断被开发出来;肖特基二极管由于较大的反向漏电流和过时的架构,已很难满足系统的要求。

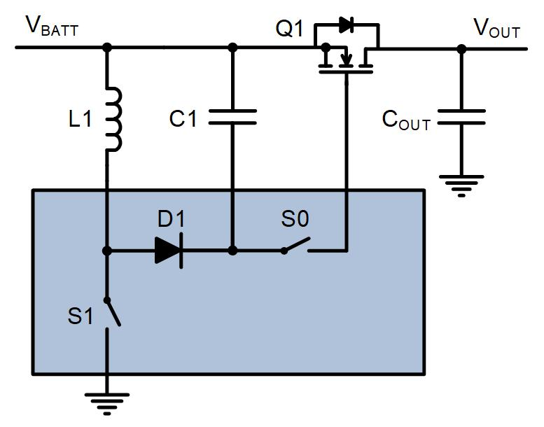
采用 P 沟道 MOSFET 进行前端保护

在工业和汽车应用中,P-FET 常被用来实现反极性保护,因为它压降小,功耗低。图 2 显示了采用 P-FET 时的原理图。


图2: 采用P-FET实现反极性保护

在正常工作期间,电流首先流过 P-FET 的体二极管,P-FET 的源极(S) 电压接近电池电压 (VBATT)。此时,栅极 (G) 电压为 0V;相对于 P-FET 的源极端(也是电路的输出),该电压为负。在这种情况下,P-FET (Q1) 可以导通,然后电流从漏极 (D) 流向源极 (S)。这种解决方案的齐纳二极管 (D1) 可以保护栅源电压 (VGS) 不超过额定电压。

当系统处于反极性条件下时,D1 正向导通, VGS 仅为 0.7V 左右。此时 Q1 关断,以保护系统免受反极性电压造成的损坏。

P-FET 只需将其栅极引脚拉低即可实现自偏置,但这意味着 P-FET 的冷启动性能较差(低 VBATT 操作)。在严重冷启动期间( VBATT 降至 4V 以下),P-FET 的串联电阻会急剧增加(见图 3)。这会增大 P-FET 两端的压降。在冷启动期间,如果 P-FET 关断,高栅源阈值 (VTH) 甚至会导致系统重置。


图 3:P-FET 导通电阻与栅源电压的关系

采用 P-FET 会带来一些挑战。P-FET 解决方案需要一个保护电路,该电路由齐纳二极管 (D1) 和限流电阻 (R1) 组成,用于避免 VGS 超过其击穿电压 (BV)。但D1 和 R1 都有漏电流,这会增加系统的静态电流 (IQ)。此外,当施加交流输入电压时,P-FET 完全导通,从而导致电流回流。这会迫使电解电容反复充电和放电,最终导致过热。

采用智能理想二极管控制器实现前端保护

上述的传统反极性保护解决方案很难满足新型系统的诸多需求,例如低成本、小尺寸、高效率和多功能性。但能够驱动外部 N 沟道 MOSFET (N-FET) 的智能理想二极管控制器则完全满足这些要求。

N-FET 必须放置在高端,智能二极管控制器 IC 也从高端获取电源。内部电源电压必须超过电池电压 (VBATT) 才能驱动 N-FET。产生该电源电压的方法有两种:通过电荷泵或升压(见图 4)。下面将对这两种方法进行详细描述。


图4: 智能二极管控制器栅极驱动方法

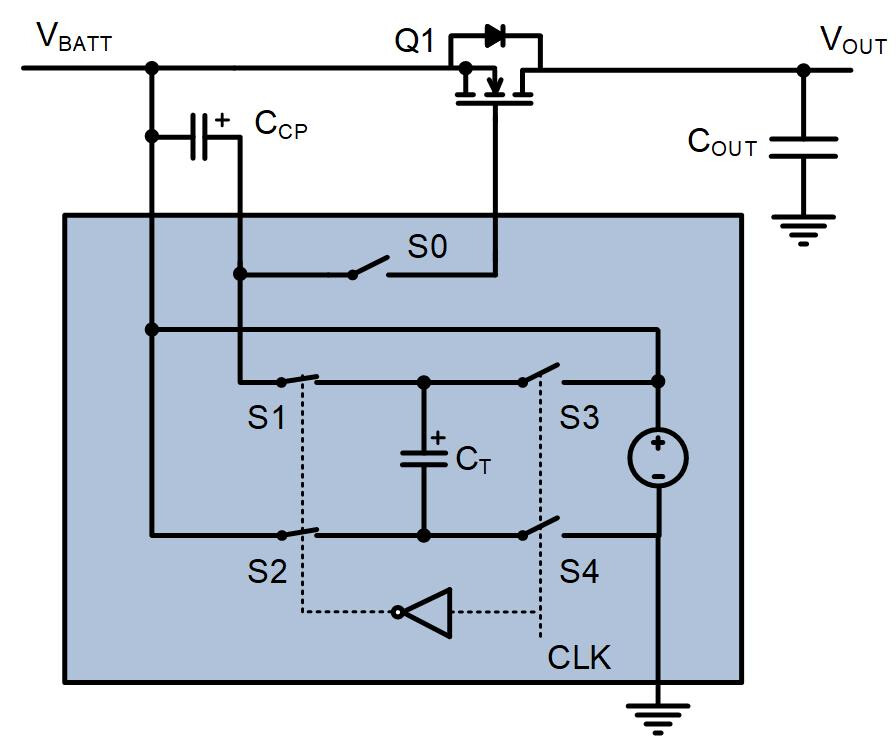
电荷泵

图5显示了用四个开关(S1、S2、S3和S4)实现电荷泵的工作原理。 CT是具有快速充电和放电速度的低值电容, CCP 是具有大负载能力的高值电容。当时钟的脉宽调制(PWM)信号为高电平时,S3和S4导通,内部源对 CT进行充电;当PWM信号为低电平时,S3和S4断开,S1和S2导通,电荷泵电容 (CCP) 由 CT充电。


图5: 内部电荷泵电路

这样,通过S1和S2(以及S3和S4)的频繁切换, CT 上的电荷可以不断传输到 CCP。此外, CCP的负极连接到电池电压 (VBATT),因此N-FET可以被超过 VBATT的电压驱动。

电荷泵效率低,驱动电流能力弱,通常只有10mA到30mA的上拉电流。当 VBATT 快速波动时(当输入中叠加了ISO 16750-2标准高频交流信号时,如图6所示),极易产生栅极驱动脉冲丢失、栅极驱动脉冲不断导通等异常现象。


图 6:ISO 16750-2 标准叠加交流电压

如果栅极驱动脉冲丢失,N-FET保持关断状态,电流由其体二极管传导,这将导致大量的热损耗;而当栅极驱动脉冲不断导通时,N-FET保持导通状态,输出电解电容 (COUT) 反复充电和放电,又会导致过热。

此外,尽管电荷泵没有电感,但电荷泵电路为电容式开关电源,其效率较低,需要极高的工作频率 (fSW)。通常, CT 的集成电容较小(在pF范围内), CCP 的外部电容较大(在µF范围内)。因此,电荷泵的 fSW 常超过10MHz,这会带来EMI问题和更高的 IQ。

总之,电荷泵解决方案具有较低的整体BOM要求,可以降低成本,但只推荐用于小电流应用;对于大功率应用,其容量不足。

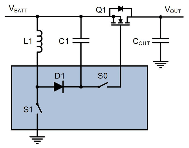
升压变换器

图 7 显示了升压变换器解决方案的工作原理。当 S1 导通时,电感由 VBATT充电,电感上的电流增大。一旦电感电流 (IL) 达到固定峰值电流阈值,S1 就会断开。 IL 继续流过二极管 (D1) 并为电容 (C1) 充电。当 C1 上的电压超过 VBATT时,N-FET 栅极被拉高。


图7: 内部升压电路

使用升压变换器驱动外部N-FET时,升压变换器的效率较高,可提供较大的驱动电流容量(超过100mA)和较快的输入干扰响应。因此对于大功率应用,建议采用集成了升压变换器的智能二极管控制器解决方案,这种方案同时还能实现良好的 VIN 整流效果。

此外,升压变换器采用固定峰值电流模式控制,这意味着其负载越轻, fSW也较低。由于 N-FET 仅消耗很少的电流,因此可实现具有超低 fSW 且几乎不存在 EMI 问题的解决方案。

新型智能理想二极管解决方案

为了满足前端对大电流、快速响应和小尺寸的需求,MPS 开发了可用于汽车前端保护的 MPQ5850-AEC1(见图 8)。


图 8:MPQ5850-AEC1 及典型应用电路

MPQ5850-AEC1是一款智能理想二极管控制器,可驱动外部 N-FET ,取代肖特基二极管或 P-FET 实现反向输入保护。该器件集成了内部升压电路,即使在低输入 VBATT条件下,也能提供升压电压导通外部 N-FET。图 9 显示了该器件的功能框图。


图9: MPQ5850-AEC1功能框图

MPQ5850-AEC1通过调制外部 N-FET 的栅极将源漏电压 (VSD) 调节至 20mV。其 20mV 超低压差可最大限度地减少功耗,并能够轻松检测到微小的负电流。

该器件还具有4μA 关断电流和 30μA IQ,因此是电池供电应用的理想选择。MPQ5850-AEC1 具有强大的栅极驱动能力(170mA 上拉和 430mA 下拉),可实现超快速瞬态响应,并满足严格的 ISO 16750 和 ISO 7637 要求,例如 4 类负脉冲和 100kHz 输入叠加高频交流信号。图 10 显示了部分测试波形。


图 10:MPQ5850-AEC1 负脉冲及同步输入测试波形

MPQ5850-AEC1的内部电路由漏极电压 (VDRAIN) 而非 VBATT供电。如果 VDRAIN 超过其欠压锁定 (UVLO) 阈值,则 MPQ5850-AEC1 正常运行,即使在严重冷启动条件下,VBATT降至 0V时,也能正常工作。

如果 VDRAIN 降至 UVLO 阈值以下,MPQ5850-AEC1会将 GATE 引脚下拉至 SOURCE 引脚(也是 N-FET 的源极),直到储能电容上的电压放电至UVLO 阈值以下。这样,该器件就能够在临时低压瞬变(例如冷启动条件)期间最小化正向压降。图 11 显示了冷启动的测试波形。


图11: MPQ5850-AEC1冷启动测试波形

MPQ5850-AEC1还集成了开漏电源正常 (PG) 信号引脚,用于指示特定的状态,例如当升压电容失调、过流 (OC) 条件持续时间超过 17μs 或器件被禁用时。与此同时,内部升压采用低频、固定峰值电流模式控制器,这让 MPQ5850-AEC1 具有出色的 EMI 性能(见图 12)。


图12: MPQ5850-AEC1的 CISPR 25 Class 5 CE 和RE EMI 性能

总结

就前端保护而言,肖特基二极管成本低、电路简单,可用于小电流应用;但随着电流的增大,该方案的功率和热损耗也越来越严重。对于较大电流应用,可以采用MOSFET电路,但应根据具体应用情况选择P-FET或N-FET。P-FET不能在低压下使用,也不能提供输入整流。

比较采用N-FET的两种方法,电荷泵驱动方案的整体BOM要求较低,因此可以降低成本;但其EMC性能较差,更适合小电流应用,例如汽车USB电源设备的大功率充电模块。升压变换器解决方案,例如MPQ5850-AEC1,具有强大的驱动能力和出色的EMC性能。这种解决方案可用于大电流和高性能环境,例如汽车域控制器和音频系统。

表1对上述不同解决方案进行了比较。

表1: 前端保护解决方案的比较

结语

本文比较了四种汽车电池前端保护(尤其针对反极性)解决方案,包括肖特基二极管、P 沟道 MOSFET 或带有 N 沟道 MOSFET 的智能控制器。根据应用需求的不同,这些方案可能各具优势。采用智能控制器(如 MPQ5850-AEC1 )不仅能实现完整的解决方案,还能提高效率、最大限度地降低 EMI 并支持在恶劣条件下的运行(例如冷启动条件和输入叠加高频交流条件)。了解 MPS 广泛的 汽车级智能控制器 产品组合,可以帮助您满足设计要求。

如有相关需求可点击 MPS NOW 在线技术支持 , 工程师将为您直接提供项目技术支持服务

查看更多技术资源可访问:Resource Center

论坛文末矩阵