一、作品简介
整合后的智能车(机器人)平台 = 全自主设计的Adaptor + Create 3机器人 + 树莓派5 + MCU外设控制板卡:
测试过程的照片
全自主设计的Adaptor的PCBA全貌:
全自主设计的Adaptor:
作品功能介绍:
本作品设计并实现了一套基于Create 3的智能车平台,历史版本的Create3 由于其Adaptor的限制大大降低其可用性,由于其只有单路稳压的5V/2A输出,完全无法满足树莓派5这种高算力的SoC平台,外部通用的MCU板卡以及激光雷达等亦需要通过独立的稳压才能够实现电源供给。现通过MPS的领先的超高集成度的电源模块IC,在相同PCB面积下,实现3路稳压输出,分别是由MPM3519实现5V/5A输出能力,2路MPM3515分别实现了5V/1.5A 和 3.3V/1.5A 两路稳压输出能力,同时采用MPF52000来实现PD Source的协议来为树莓派实现PD供电(这里由于该物料尚未量产,SDK并未开放,仅完成了硬件设计。故使用ESP32S3+FUSB302的备选方案来满足功能需求)。最终实现了将树莓派5完美接入Create 3平台,并通过ROS2实现了树莓派5对Create3平台的初步控制。为后续学习和更加深入的项目开发提供了宝贵的基石。
物料清单及简介:
主选IC:MPM3519,2x MPM3515 辅选IC:MPF52000
二、系统框图
由于Create3平台使用了NCM锂电池(满压16.8V)为输入,为避免其运动系统存在的反向电动势带来的过压问题,本设计均采用了36V输入电压,最终借助MPS领先的模块电源IC方案,完美解决了Create 3平台为高性能计算核心标准供电的难题。
具体通过MPM3515构建可靠的5V/1.5A和3.3V/1.5A低压电源树,满足外设需求;针对树莓派5的大功率PD供电需求,创新性地采用 MPM3519 作为高效降压前端实现5V/5A的功率输出,并结合 MPF52000 PD协议芯片(最终采用ESP32S3+FUSB302进行替代),构成完整的标准电源解决方案,从而在单一Create3的电池输入下实现了全系统(树莓派5和外设板卡)高效、稳定、安全的供电。
关于软件方面,由于直接使用ESP32S3+FUSB302,使用开源的FUSB302库,简单的实现了PD协议,另外通过ESP32S3也实现了树莓派5电源的使能控制,软件部分整体实现较为简单,就不过多赘述。
三、各部分功能说明
由于Create3平台使用了NCM锂电池(满压16.8V)为输入,为避免其运动系统存在的反向电动势带来的过压问题,本设计均采用了高于30V输入电压的模块IC,最终借助MPS领先的模块电源方案,完美解决了Create 3平台为高性能计算核心标准供电的难题。
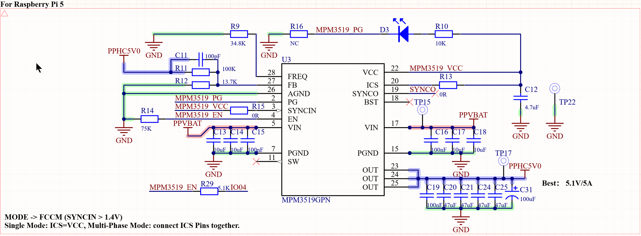
原理图设计:
该部分为5V/1.5A以及3.3V/1.5A输出的电源设计。输出电容由于使用MLCC,需要额外注意DC-bias效应带来的降额,故并联多个来保证满足设计容量及低ESR需求。
该部分为5V/5A输出的电源设计。由于MPM3519采用了类似ADI的Silent Switch 技术,layout时注意输入电容及其路径的绝对对称来降低EMI。同时由于不考虑轻载需求,直接选用了FCCM模式。
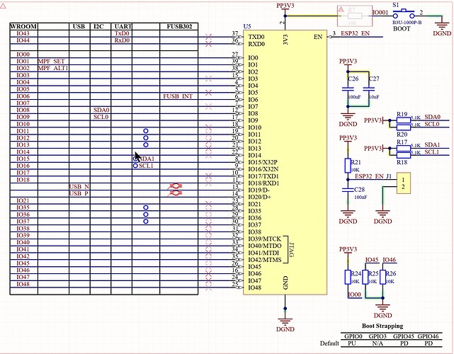
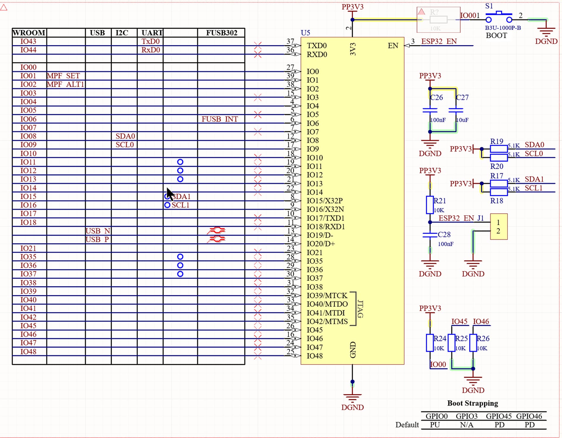
该部分主要为树莓派5连接的Type-C接口,ESP32S3的Type-C接口以及FUSB302 PD协议IC的电路设计。
该部分为MPF52000的电路设计。
该部分为主控ESP32S3的电路设计。
测试数据: 详见该帖子【2025电源模块创意大赛】基于Create 3的智能车平台-调试及评测 - 集成电感功率模块 - MPS技术论坛
四、作品源码
download.eeworld.com.cn/detail/sunduoze/637490
五、作品功能演示视频
【2025电源模块创意大赛】基于Create 3的智能车平台-【2025电源模块创意大赛】基于Create 3的智能车平台-EEWORLD大学堂
六、项目总结
帖子链接:
【2025电源模块创意大赛】基于Create 3的智能车平台-开箱初体验 - 集成电感功率模块 - MPS技术论坛
【2025电源模块创意大赛】基于Create 3的智能车平台-初步设计完成 - 集成电感功率模块 - MPS技术论坛
【2025电源模块创意大赛】基于Create 3的智能车平台-PCBA初步焊接完成 - 集成电感功率模块 - MPS技术论坛
【2025电源模块创意大赛】基于Create 3的智能车平台-调试及评测 - 集成电感功率模块 - MPS技术论坛
项目总结:
在这里,感谢MPS和EEWORLD举办的2025电源模块创意大赛,为大家提供学习和练手的机会,借助于MPS领先的模块电源方案,可以快速并且轻松的实现高功率密度低纹波的电源设计。本设计利用MPS的集成电源方案很好的完成了基于Create 3的智能车平台,将树莓派5这种高算力平台接入到Create 3并实现对其的控制,完成一套基础平台的搭建。













